M5Stack BugC2 Programmable Robot Base

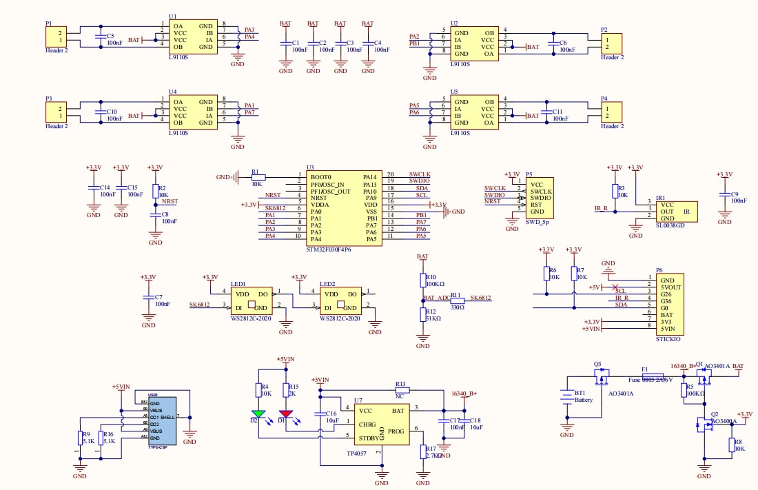
M5Stack BugC2 Programmable Robot Base is compatible with M5StickC series controllers. The M5Stack BugC2 integrates four L9110S motor and DC gear motors with an STM32F030F4 core control chip. Equipped with two flexible programmable RGB LEDs, an infrared encoder, and a dedicated battery holder, BugC2 connects closely with the M5StickC controller via its top slot, receiving control commands via the I2C protocol (address 0x38). The device features a USB Type-C™ charging port, battery reverse connection protection, and voltage detection for safety and convenience.

Features

  • Programmable robot
  • Remote control
  • Four-way motor driver (L9110S)
  • 2x RGB LEDs
  • Infrared remote control decoding
  • Battery voltage detection
  • Onboard USB Type C port battery charging
  • Battery anti-reverse connection

Applications

  • Remote motor control
  • Robot control
  • Intelligent toys

Kit Contents

  • StickC Plus2
  • BugC2 base
  • Silica gel pads

Videos

Schematic

Schematic - M5Stack BugC2 Programmable Robot Base
发布日期: 2024-05-10 | 更新日期: 2024-05-16