M5Stack K125 Development Board
M5Stack K125 Development Board features AtomS3U, a U-disk from ESP32-S3 multi-function development board using Espressif's main control chip and dual-core Xtensa LX7 processor. This development board offers 240MHz central frequency and a built-in WiFi function. The interfaces include six pins at a 2.54mm header (including 4 GPIOs), one grove part, a USB-A port (OTG), 1 PDM microphone, and one programmable RGB-LED. This K125 development board features a built-in infrared emitter, micropython, and Arduino development platform. The K125 development board operates at 100Hz to 10KHz and 52mm x 20mm x 10mm product size. This K125 development board is ideally used in IoT controllers, voice recording, and cloud STT recognition.Features
- ESP32-S3FN8 @240Mhz, Xtensa LX7, WIFI, OTG, and CDC
- Integrated programmable RGB LEDs and buttons
- Built-in infrared emitter
- Expandable pin interface with GROVE
- MicroPython and Arduino development platform
Specifications
- 100Hz to 10KHz sound frequency range
- 1MHz to 3.25MHz PDM clock frequency range
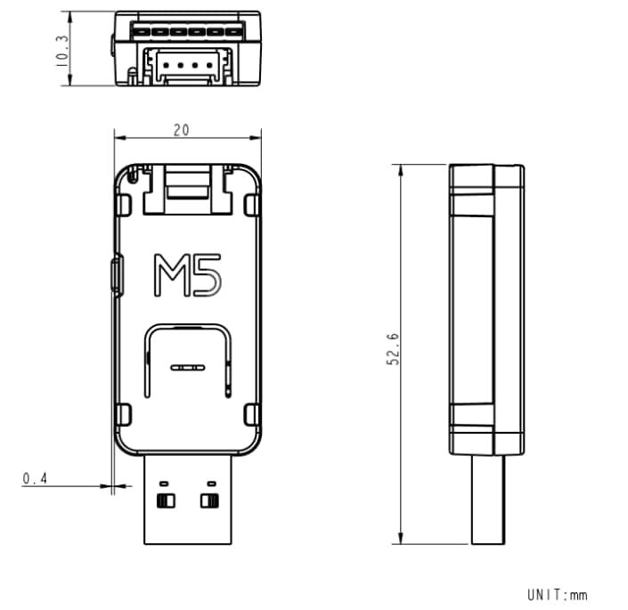
- 52mm x 20mm x 10mm product size
Applications
- IoT controllers
- Voice recording
- Cloud STT recognition
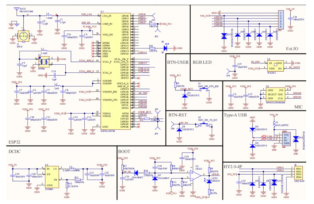
Schematic Diagram
Dimension Diagram
发布日期: 2023-08-16
| 更新日期: 2023-10-04
