M5Stack USB v1.2 Module
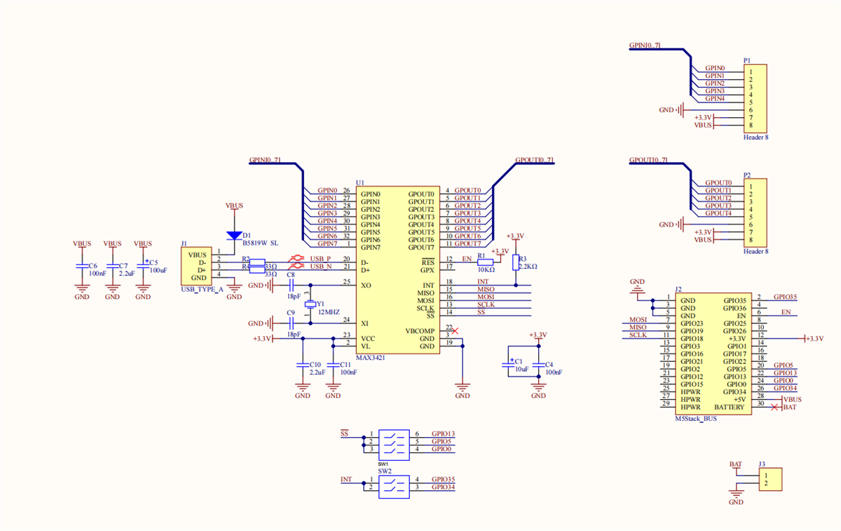
M5Stack USB v1.2 Module is part of the M5Stack stackable module series and utilizes the MAX3421E chip. The M5Stack USB v1.2 Module offers a standard USB interface supporting host and peripheral functions, compatible with various USB devices and operating systems. Connection to the system occurs via SPI communication. The module includes two dip switches for compatibility with different M5 series hosts and pins for external device control or status reading. The device also includes a battery holder for enhanced flexibility.Features
- Standard USB 2.0 interface
- SPI communication protocol is adopted
- GPIO pin expansion (5x input, 5x output)
- Lithium battery seat
- Toggle the switch to adjust different hosts
Applications
- USB key loggers
- Read and write U disk
Videos
Schematic
发布日期: 2024-05-10
| 更新日期: 2024-05-17
