跳到主内容
免费电话: 400-821-6111
TTI Family of Specialists旗下成员
|
联系Mouser (上海) 免费电话: 400-821-6111
|
反馈
更改位置
中文
English
¥ RMB
中国
请确认您选择的货币:
人民币
国际贸易术语:DDP
所有价格均
包括
关税和海关费用。
大多数订单满¥300 (RMB)即可
免运费
。
贸泽电子 Mouser Electronics - 半导体和电子元器件代理商
全部
过滤搜索
全部
EMI/RFI 器件
MOSFET
二极管与整流器
工业自动化
工具与耗材
工程技术开发工具
开关
内存和数据存储器
计算
电位器
电阻器
电线与电缆
电容器
电感器
电路保护
电源
半导体
机壳产品
压敏电阻
光电子产品
传感器
连接器
变压器
测试与测量
热敏电阻
热管理产品
继电器
晶体管
嵌入式处理器和控制器
嵌入式解决方案
集成电路 - IC
频率控制器和定时装置
微控制器 - MCU
过滤搜索
全部
EMI/RFI 器件
MOSFET
二极管与整流器
工业自动化
工具与耗材
工程技术开发工具
开关
内存和数据存储器
计算
电位器
电阻器
电线与电缆
电容器
电感器
电路保护
电源
半导体
机壳产品
压敏电阻
光电子产品
传感器
连接器
变压器
测试与测量
热敏电阻
热管理产品
继电器
晶体管
嵌入式处理器和控制器
嵌入式解决方案
集成电路 - IC
频率控制器和定时装置
微控制器 - MCU
打开建议
库存量
RoHS
产品
新品速递
LED照明元件
工业自动化
工具与耗材
工程工具
无源元件
内存和数据存储器
电线与电缆
电路保护
电源
半导体
机电产品
机壳产品
光电子产品
传感器
连接器
测试与测量
热管理产品
射频与无线产品
嵌入式解决方案
查看所有产品
制造商
服务和工具
技术资源
帮助
菜单
帐户和订单
登录
新客户?
从这里开始
订单历史
登录
新客户?
从这里开始
按类别
购买新产品
查看所有新品
开发工具
嵌入式解决方案
半导体
光电子产品
电路保护
无源元件
传感器
连接器
电线与电缆
机电产品
热管理产品
电源
机壳产品
测试与测量
工具与供应
主页
产品
新品速递
制造商
服务和工具
技术资源
帮助
联系我们
主菜单
所有产品类别
所有产品类别
LED照明元件
工业自动化
工具与耗材
工程工具
无源元件
内存和数据存储器
电线与电缆
电路保护
电源
半导体
机电产品
机壳产品
光电子产品
传感器
连接器
测试与测量
热管理产品
射频与无线产品
嵌入式解决方案
购物车包含定期发货商品
制造商
制造商编号:
数量
总价(含13%增值税)
制造商零件编号
制造商:
描述:
数量:
购物车小结
* 您的购物车包含错误。
查看购物车
未结余额指根据您选择的付款方式目前应当支付而尚未支付的所有费用。
大多数订单满¥300 (RMB)即可
免运费
。
继续购物
查看购物车
* 您的购物车包含错误。
不再显示,直接进入购物车。
主页
新品速递
制造商新动向
MACOM
CMPA5259050S-AMP1测试板 - MACOM
返回MACOM
MACOM CMPA5259050S-AMP1测试板
放大
查看详情
MACOM详情
查看数据手册
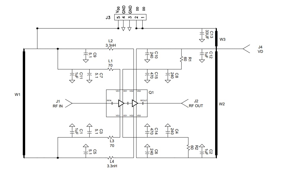
Wolfspeed CMPA5259050S-AMP1测试板设计用于快速轻松地演示CMPA5259050S放大器。CMPA5259050S GaN MMIC功率放大器采用两级同步匹配放大器设计方法,可实现高功率和功率附加效率。基于氮化镓 (GaN) 的高电子迁移率晶体管 (HEMT) 单片微波集成电路 (MMIC) 具有27dB小信号增益、65W典型PSAT以及高达28V工作电压。
Wolfspeed CMPA5259050S-AMP1测试板包括CMPA5259050S放大器。
特性
>50%典型附加功率效率
小信号增益:27dB
65W典型P
SAT
工作电压高达28V
击穿电压高
高温运作
相关产品
MACOM CMPA5259050S GaN MMIC功率电感器
采用两级同步匹配放大器设计,可实现高功率和功率附加效率。
Learn More
关于MACOM CMPA5259050S GaN MMIC功率电感器
View Products
与MACOM CMPA5259050S GaN MMIC功率电感器相关
演示放大器原理图
放大
查看详情
MACOM详情
查看数据手册
快速链接
特性
相关产品
演示放大器原理图
返回顶部
MACOM
发布日期: 2022-05-25 | 更新日期: 2024-01-18