MACOM GaAs-Based Wideband MMIC Power Amplifiers
MACOM Gallium Arsenide (GaAs)-Based Wideband MMIC Power Amplifiers can be used as drivers or power amplifiers in microwave communications, test and measurement, aerospace and defense, and multi-market applications. The power amplifiers from MACOM are ideal for wideband frequency ranges between 20GHz to 45GHz. These components are fabricated using a GaAs pHEMT process, which features full passivation for enhanced reliability.The MAAM-011277-DIE is a 2.5mm x 1.15mm wideband 0.25W power amplifier that has 22dB of linear gain and 25dBm P3dB (saturated output power at 3dB gain compression) with 17% power-added efficiency (PAE) while biased at 5V.
The MAAM-011291-DIE is a wideband 1W power amplifier monolithic microwave integrated circuit (MMIC) die with 19dB of linear gain, 30dBm P3dB, and 15% efficiency while biased at 5V.
Applications
- Microwave communications
- Test and measurement
- Aerospace and defense
- Multi-market applications
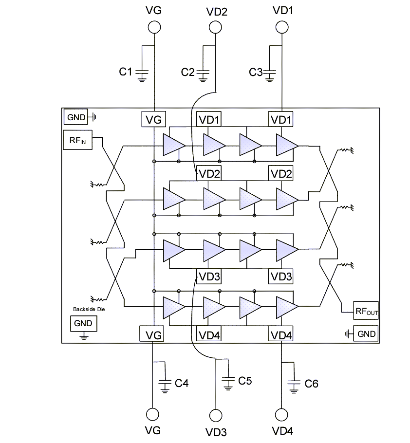
MAAM-011277-DIE Application Schematic
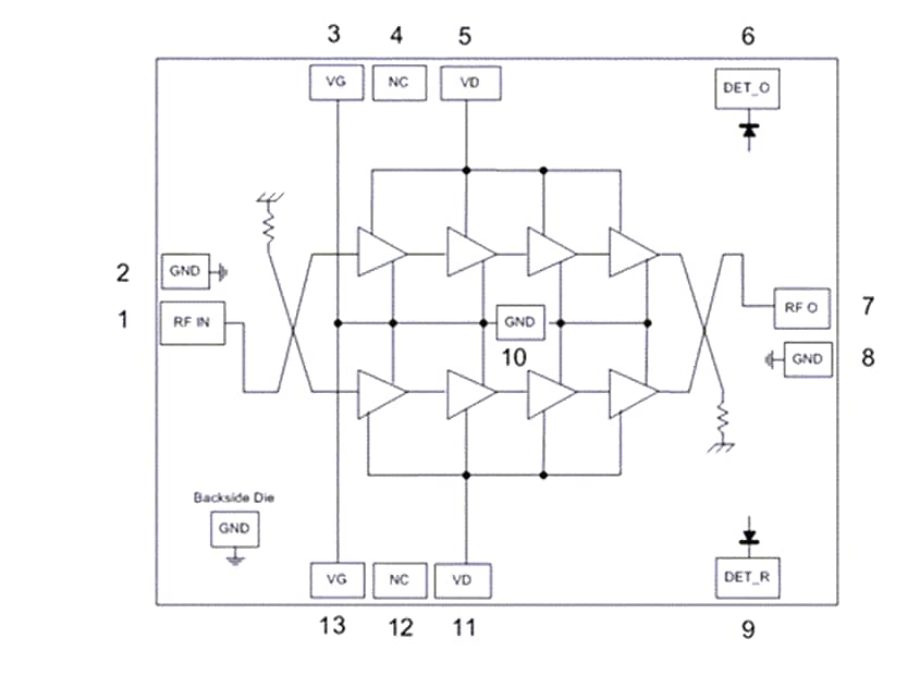
MAAM-011277-DIE Functional Schematic
MAAM-011291-DIE Application Schematic
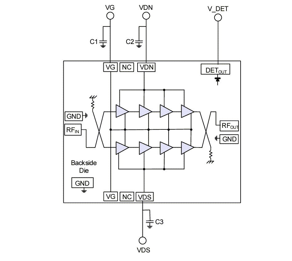
MAAM-011291-DIE Functional Schematic
发布日期: 2020-08-07
| 更新日期: 2024-06-04
