MACOM MAAL-011204 Low-Noise Amplifier
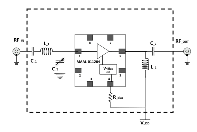
MACOM MAAL-011204 Low-Noise Amplifier (LNA) is a low-input impedance, high-dynamic range, and single-stage amplifier. This low-noise amplifier features an integrated active bias circuit that allows direct connection to 3V or 5V bias. The MAAL-011204 low-noise amplifier also features 26dB gain, 0.6dB noise figure, 50Ω output impedance, 30mA to 80mA adjustable current, and 2.5Ω input resistance. This low-noise amplifier exhibits excellent low input impedance, low noise performance, and high gain characteristics suitable for 1.5T and 3.0T applications. The MAAL-011204 low-noise amplifier is available in a 4mm non-magnetic package and is used in MRI applications.Features
- 26dB gain
- 0.6dB noise figure
- 50Ω output impedance
- 30mA to 80mA adjustable current
- 2.5Ω input resistance
- Low input impedance
- Low noise performance
MAAL-011204 Functional Block Diagram
Application Schematic Diagram
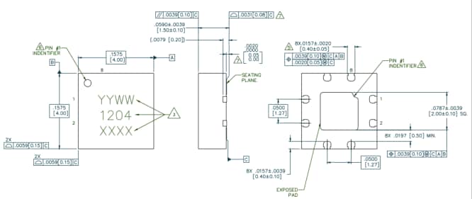
Mechanical Drawing (mm)
发布日期: 2022-12-28
| 更新日期: 2023-01-12
