MACOM MAAM-011109 Wideband Amplifier
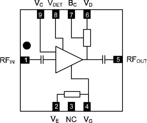
MACOM MAAM-011109 is a wideband amplifier that operates from 10MHz to 40GHz, 13dB to 15dB gain, and +18dBm to +20dBm of output power. Matching is 50Ω with typical return loss better than 15dB. The MAAM-011109 integrates an ultra-broadband bias choke, DC blocking and bypass capacitors. Other features include a gate bias adjust pin to change current setting for power or temperature, a gain trim control pin that allows 15dB of gain control (0 to -1V), and a temperature compensated detector pin that provides a DC voltage in relation to output power. MACOM MAAM-011109 Wideband Amplifier is ideally suited for any application that requires 50Ω gain from 10MHz to 40GHz.Features
- 13dB gain
- +18dBm output power
- +5VDC, 190mA
- Lead-free 5mm 9-lead LGA package
- RoHS compliant and +260°C reflow compatible
Applications
- Laboratory
- Instrumentation
- Defense
Functional Diagram
Datasheets
发布日期: 2013-08-30
| 更新日期: 2022-03-11
