特性
- 1U薄型设计
- 全数字设计,交流-直流和直流-交流转换的转换效率均为93%
- 交流-直流和直流-交流之间超快开关时间:1ms
- 通过CB/UL/TUV CB/TUV/UL 62368-1认证,设计符合IEC 62477规范
- 有源电流共享高达11000W (4+1)
- 强制充电和放电模式,带CANBus 命令(可选)
- 保护特性
- 抗孤岛
- 交流故障
- 直流OVP
- OLP
- OCP
- OTP
- 在两种转换模式下,THDi均低至<3%
- 5年质保
应用
- 电池形成和分级
- V2G(汽车到电网)系统
- 船用电池充电器模块
- 电动踏板车或汽车充电站
- 动能回收系统
- 电解系统
- 污水处理系统
规范
- 交流-直流方向
- 输出
- 电压范围:12VDC至96VDC
- 额定电流范围:22.5A至180A
- 额定功率:2160W
- 最大纹波和噪声范围:160mVp-p至480mVp-p
- 电压容差:±1.0%
- 线路/负载调节:±0.5%
- 输入
- 电压范围:180VAC至264 VAC
- 频率范围:47Hz至63Hz
- 效率:90%至93%
- 交流电流:11A/230VAC(典型值)
- 浪涌电流:35A/230VAC(典型,冷启动)
- 漏电流:<2mA/230VAC
- 输出
- 尺寸 (LxWxH):330 mm x 140 mm x 41mm
- 直流-交流方向
- 输入
- 额定输入功率:1800W
- 满功率电压范围:12V至112V
- 电压范围:10VDC至112VDC
- 最大输入电流:18.75A至150A
- 输出
- 电压范围:180VAC至264 VAC
- 频率范围:47Hz至63Hz
- 交流电流:7.5A/230VAC(典型值)
- 效率:90.5%至93%
- 输入
- 温度范围
- 工作温度范围:-30°C至+70°C
- 储存温度范围:-40°C至+85°C
- 相对湿度,非冷凝
- 工作湿度:20%至90%
- 储存湿度:10%至95%
视频
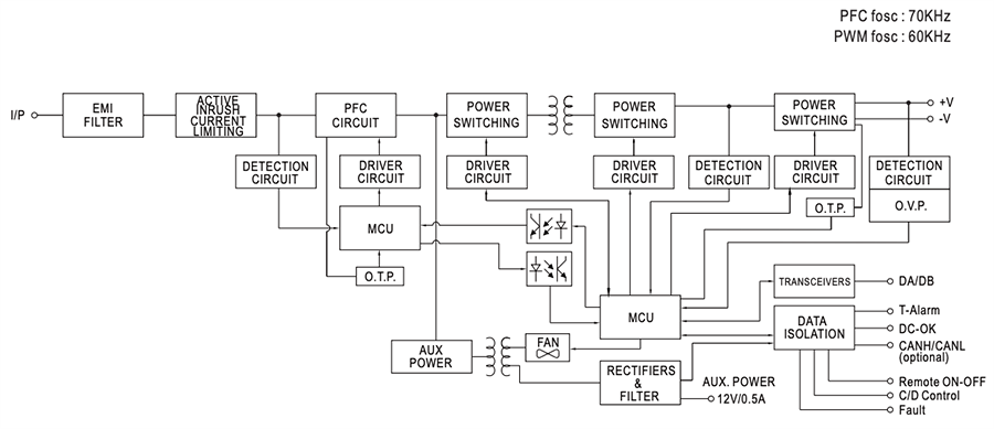
框图
其他资源
View Results ( 4 ) Page
| 物料编号 | 数据表 | 描述 |
|---|---|---|
| BIC-2200-24 | ![]() |
Power Supplies - Chassis Mount A/D +24V90A ; D/A +24V75A |
| BIC-2200-48 | ![]() |
Power Supplies - Chassis Mount A/D +48V45A ; D/A +48V37.5A |
| BIC-2200-96 | ![]() |
Power Supplies - Chassis Mount A/D +96V22.5A ; D/A +96V18.5A |
| BIC-2200-12 | ![]() |
Power Supplies - Chassis Mount A/D +12V180A ; D/A +12V150A |
发布日期: 2021-08-02
| 更新日期: 2025-08-12


