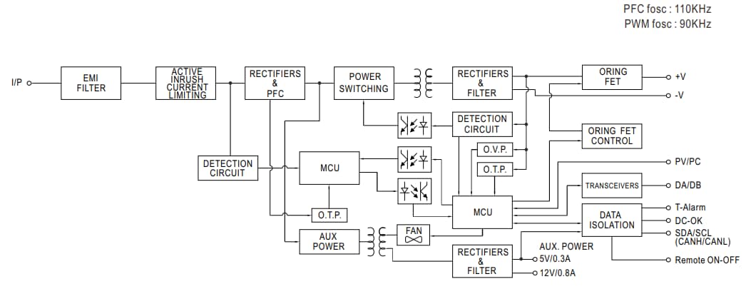
DBR/DBU-3200电池充电器具有输出可编程功能。该功能支持用户通过内置电位器或电源管理总线 (PMBus) 协议调整充电电压和电流。DBR/DBU-3200电池充电器还具有各种保护机制和温度补偿功能,可实现正常和安全的系统操作。这些充电器还包括辅助电源和内置ORing FET,可支持热插拔 (DBR-3200)。DBR/DBU-3200电池充电器适用于工业自动化、电信设备、电池充电设备以及电动汽车 (EV) 充电站等应用。
特性
- 功率密度高达37W/in3
- 3.2kW单输出
- 机架式或封闭式充电器
- 用于以下类型电池的充电器:
- 铅酸电池(加水式、胶体式和吸附玻璃纤维式)
- 锂离子电池(锂离子和锂锰)
- 内置默认的3级充电曲线和可编程曲线
- 内置I2C接口和PMBus协议
- 325.8mm x 107mm x 41mm尺寸,1U高度
- 通用交流输入/全范围
- 内置有源功率因数校正 (PFC) 功能
- 通过内置热控直流风扇进行强制风冷
- 可编程输出电压和电流
- 内置ORing FET
- 有源电流6400W (1+1)
- 保护特性:
- 电池欠压
- 未连接电池
- 短路
- 过压
- 过热
- 可选保形涂层
- UL/EN/IEC 62368-1安全标准
- EN 55032/55024 EMC标准
应用
- 工业自动化
- 电信设备
- 电池充电设备
- 电动车充电站
- 大型直流UPS或应急备用系统
- 船用电池充电器模块
- 污水处理系统
- 电解系统
Performance Graphs
Additional Resources
发布日期: 2018-10-08
| 更新日期: 2023-01-24

