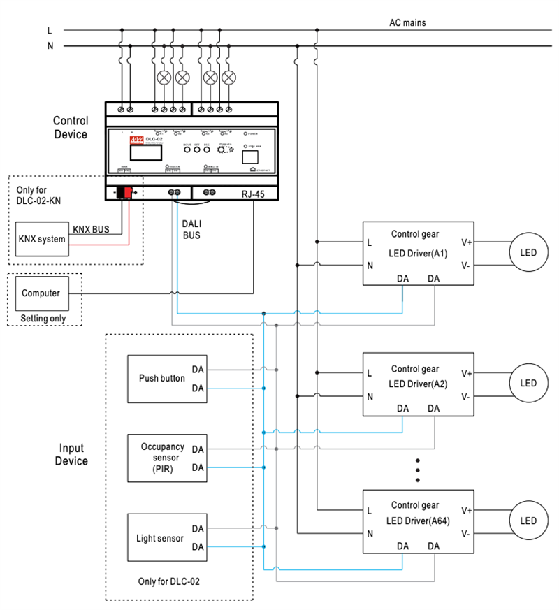
特性包括内置DALI电源,最大电流为250mA,最多可通过64个灯具和 12 个壁式开关或传感器连接每个通道。集成的DALI-2 继电器控制功能可控制电气设备或窗帘电机。安装程序可设置日程计划,自动管理灯具,通过内置定时器功能完成。安装程序还可以设置灯光场景和分组控制。
DLC-02-KN元件是KNX转DALI网关,可用于将数字DALI照明系统连接到KNX装置。该器件将连接的KNX系统的开关和调光命令转换为DALI传真,将DALI总线的状态信息转换为KNX传真。
特性
- DALI-2多主机应用控制器
- 两个独立的DALI总线通道,内置DALI电源(每路总线高达250mA)
- 最多连接2个64 DALI ECG/驱动器和2个12DALI输入器件
- 每通道最多16个场景和群组设置
- LCD 显示屏和 LED 指示灯/按钮
- 内置250V/5A x 4继电器
- 通过PC软件或 Web 浏览器轻松安装和配置
- 基于时间事件和输入器件的多种控制效果
- 支持DALI-2器件(207/208/301/302/303/304部分)
- 5年质保
应用
- 办公室照明
- 智能家居照明
- 豪华别墅照明
- LED室内照明
- 楼宇自动化系统
规范
- 输出
- 2x 16V范围内置DALI总线电源
- 2x 250mA最大电源电流,2x 240mA保证
- 功率:7.68W
- 设置时间:250ms(115VAC时)
- 上升时间:50ms(230VAC时)
- 功能
- 1x USB 从连接器, type-B
- OLED显示屏
- 指示灯
- 2X LED指示灯,用于总线电压
- 4x LED指示灯,用于继电器
- 1x LED指示灯,用于上电
- 前面板上的3按钮通用设置(MOVE、SET和ESC),用于设定和查看设置
- 通过Web浏览器进行以太网控制
- 继电器
- 10A(125 VAC 时)
- 5A(250 VAC 时)
- 输入
- 范围:100VAC至305VAC/140VDC至430VDC
- 频率范围:47Hz至63Hz
- 浪涌电流:45A(典型值,30VAC时,冷启动时
- 交流电流
- 0.25A(230VAC 时)
- 0.5A(115VAC时)
- 短路保护
- 环境条件
- 温度范围
- 工作温度范围:-25°C至+45°C
- 储存温度范围:-25°C至+70°C
- 相对湿度,非冷凝
- 5%至93%()工作
- 储存湿度:10%至95%
- 温度范围
- 尺寸:144mm x 90 mm x 58.3mm (LxWxH)
框图
安装图
其他资源
发布日期: 2021-08-02
| 更新日期: 2025-11-11

