MEAN WELL NCP-3200电源和电池充电器
MEAN WELL NCP-3200电源和电池充电器提供高达94.5%的效率、3200W的额定功率,以及24VDC 、48VDC 或380VDC 电压。这些双用途、机架安装式交流-直流电源采用1U薄型设计,功率密度高达37W/inch3 。NCP-3200电源和充电器提供了巨大的设计灵活性,并配备了PM总线和CAN总线,同时两种国际通信协议可以选择用于工业控制和电源控制。最多可实现10机架有源电流共享,并且最大可以并联连接的电源为40个。该系列具有多种保护特性,包括短路、过载、过电压和过热保护。MEAN WELL NCP-3200电源和电池充电器适用于工业自动化、分布式电源架构系统、冗余电源系统和无线/电信解决方案。特性
- 通用交流输入/全范围
- 通过PM总线、CAN总线或SBP-001可选择电源或充电模式
- 内置2/3级充电曲线和可编程曲线
- 内置可编程输出电压和输出电流
- 内置OR-ing FET或二极管,支持热插拔
- 最多可实现10机架有源电流共享
- 内置I2C接口
- 内置智能风扇速度控制
- 保护特性
- 短路
- 过载
- 过压
- 过热
应用
- 工业自动化
- 分布式电源架构系统
- 无线/电信解决方案
- 冗余电源系统
- 大型直流UPS或应急备用系统
- 电动踏板车或汽车充电站
- 污水处理系统
- 电解系统
规范
- 效率高达94.5%
- 24VDC 、48VDC 或380VDC 输出电压
- 67A至133A输出电流范围
- 额定功率:3200W
- 频率范围:47Hz至63Hz
- 尺寸:325.8mm x 107mm x 41mm
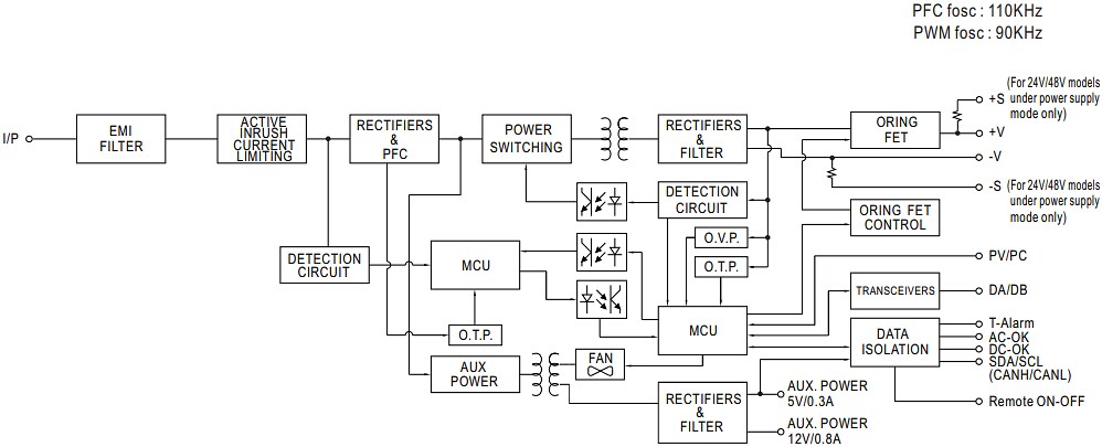
框图
发布日期: 2023-03-24
| 更新日期: 2026-03-05
