MEAN WELL NMP可配置智能电源
Mean Well NMP可配置智能模块化电源,支持用户配置和定制器件,以满足其需求。借助独立的输出模块插槽和超宽输出电压范围,用户可以根据其需求设置和修改输出电压、电流和功率。NMP系列通过了60601-1医疗安全法规和62368-1 IT行业法规认证。这些650/1200W电源具有智能控制功能,如远程开/关(按部分或整个系统)和5V辅助输出(用于驱动器件)。NMD-240模块在240W直流/直流双输出下工作,具有两个远程控制信号。这些模块的双色输出连接器指示输出电压的极性。Mean Well NMP现场可配置/构建自己的智能模块化电源为各种应用提供灵活性,包括医疗设备、工厂自动化和激光设备。特性
- 医疗(2x MOPP)和ITE双安全认证
- 适用于具有适当系统考虑的车身浮动(BF)应用(触摸电流 < μA/264VAC)
- 1U薄型
- 通用交流输入(全范围)
- 输出电压和电流可编程
- 内置并行功能
- 输出可编程
- 全局使能
- NMD-240模块在240W直流/直流双输出模块下工作
- 双通道输出电压可通过单独的SVR进行调节
- 两组远程控制信号
- 远程本地开-关
- 辅助直流输出
- 过热警报
- 直流良好
- 由带风扇报警功能的温控风扇进行冷却
- 所有输出模式均提供短路、过载、过压和过热保护
- 5年质保
应用
- 医疗设备
- 诊断或生物设施
- MRI、CT和PET扫描仪
- 测试或测量系统
- 电信设备
- 工厂设施和老化设备
- 激光设备
视频
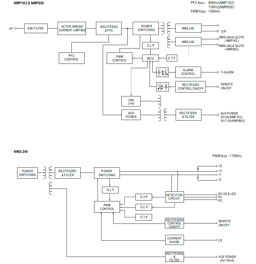
框图
发布日期: 2020-02-17
| 更新日期: 2025-11-13
