NPB-450充电器采用直流风扇温度控制实现降噪,设有远程开/关控制,从电池的泄漏电流<1mA(典型值)。这些电池充电器还具有20% RH至95% RH的工作湿度(非冷凝)、47Hz至63Hz的频率范围和过热充电自动降额功能。NPB-450充电器通过了CB、UL、DEKRA、CE和UKCA认证。这些充电器用于AGV、割草机器人、监控系统、清洗机器人、电动自行车和电信基站。
特性
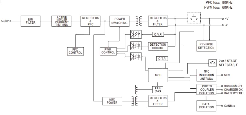
- 内置CANBus通信接口,用于远程设置充电曲线和监控充电器状态
- NFC接口可进行2/3级充电的选择和充电参数的设置
- DIP开关可进行2/3级充电的调整和进行4种预设充电曲线之间的选择
- 过热充电自动降额功能
- 热控直流风扇,用于降低噪声
- 外部NTC温度补偿,防止电池快速退化
- 适合用于铅酸和锂电池
- 多种智能保护:
- 短路
- 过压
- 过热
- 低电量
- 电池反向连接
- 通过CB、UL、DEKRA、CE和UKCA认证
- 3年质保
应用
- 监控系统
- 公共汽车、电动自行车、电动踏板车和野营汽车
- 机器人割草机
- 冲洗机器人
- 休闲船、个人游艇和工作船
- 自动导引车 (AGV)
- 电信基站
- 无线电系统备份解决方案
- 配备备用电池的设备或仪器仪表
规范
- NPB-450-12NFC:
- 输出电压范围:10.5V至21V
- 输出电流:25A(最大值)
- 最大输出功率:420W
- 推荐电池容量:90AH至300AH
- APB-450-24NFC:
- 输出电压范围:21V至42V
- 最大输出电流:13.5A
- 最大输出功率:453.6W
- 推荐电池容量:45AH至155AH
- NPB-450-49NFC:
- 输出电压范围:42V至80V
- 最大输出电流:6.8A
- 最大输出功率:456.96W
- 推荐电池容量:24AH至80AH
- NPB-450-72NFC:
- 输出电压范围:54V至100 V
- 最大输出电流:5.5A
- 最大输出功率:462W
- 推荐电池容量:19AH至64AH
框图
应用实例
发布日期: 2023-11-06
| 更新日期: 2024-10-07

