MEAN WELL UHP-1500 1500W电源

MEAN WELL UHP-1500带PFC开关的1500W传导冷却电源是首个具有通信功能的传导冷却系列,内置PMBus或CANBus供客户选择。各类通信协议支持将该电源无缝集成到高端系统,如数据中心、网络设备或充电系统。独特的无风扇设计可防止风扇因灰尘而导致故障,并降低设备维护的成本和频率。该电源具有可编程电压和电流 (PV/PC) 功能,可通过外部直流控制信号调节输出电压 (50%-120%) 和电流 (20%-100%)。UHP-1500符合EN60335-1家用安全标准,具有-30°C至+70°C的宽工作温度范围。

特性

  • 超低高度:41mm
  • 无风扇传导冷却设计
  • 90VAC至264VAC全范围输入
  • 效率高达96%
  • 工作高度可达5000米
  • 通过UL/TUV/EAC/CB/CE安全认证
  • 工作温度范围:-30°C至+70°C
  • 保护特性:短路/过载/过压/过热
  • 尺寸(长x宽x高):290mm x 140mm x 41mm
  • 5年保修

应用

  • 工业自动化机械
  • 工业控制系统
  • 机械和电气设备
  • 电子仪器、设备或装置
  • 测试与测量仪器
  • 激光相关设备
  • 充电相关设备
  • 家用电器

视频

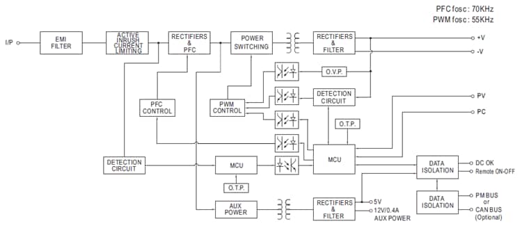
框图

MEAN WELL UHP-1500 1500W电源
发布日期: 2019-08-21 | 更新日期: 2026-03-05