MEAN WELL HEP-1000开关电源
MEAN WELL HEP-1000开关电源是1000W工业交流/直流电源,设计用于在高湿度、油性、多尘和高振动的恶劣环境下运行。这些电源在充电器侧内置三级可编程充电曲线,可实现恒定电流、恒定电压和浮动充电功能。HEP-1000电源具有高达96%的效率、10G防振能力以及内置有源PFC功能。这些电源包括一个集成充电器,配备PMBus通信协议,可无缝集成到不同的高端系统中。HEP-1000电源的输出电压为24V、48V和100V,在空气对流条件下(无需风扇)的工作温度范围为-40ºC至70ºC。这些电源符合TUV EN62368-1和UL62368-1等国际安全法规。典型应用包括工业自动化机械、工业控制系统、电子仪器和家用电器。The MEAN WELL HEP-1000 Switching Power Supplies comply with international safety regulations such as TUV EN62368-1 UL62368-1. Typical applications include industrial automation machinery, industrial control systems, electronic instruments, and household appliances.
特性
- 内置有源PFC功能
- 效率高达96%
- 无风扇设计:
- 自由空气对流冷却
- 铝制外壳,填有导热胶
- 耐受10G振动测试
- 宽工作温度范围:-40ºC至70ºC
- 用于以下类型电池的充电器:
- 铅酸电池(加水式、胶体式和吸附玻璃纤维式)
- 锂离子电池(锂铁和锂锰)
- 内置默认的2/3级充电曲线和可编程曲线
- 内置PMBus协议(可选配CANBus协议)
- 输出电压和恒流电平可编程
- 短路、过载、过压和过热保护
- 内置远程开/关控制
- 直流正常有源信号
- LED上电指示灯
- 可选接线类型,具有IP67防护等级
应用
- 工业自动化机械
- 工业控制系统
- 机械和电气设备
- 电子仪器、设备或装置
- 家用电器
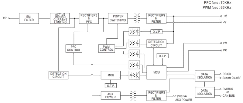
框图
性能图
Additional Resources
发布日期: 2019-11-18
| 更新日期: 2023-09-08
