特性
- 多达48个按键
- 技术:横向电荷转移 (QT™) 检测,具有跳频功能
- 按键外形尺寸:6mm × 6mm或更大(取决于面板厚度);尺寸和外形可能差异极大
- 按键间距:中心到中心为8mm或更宽(取决于面板厚度)
- 电极设计:由两部分组成的电极形状(驱动-接收);可能有各种布局
- 需要的层数:一层(带跳线)、两层(不带跳线)
- 电极材料:PCB、FPCB、银或碳覆膜、ITO覆膜
- 面板材料:塑料、玻璃、复合材料、涂漆表面(可能采用低颗粒密度金属涂料)
- 相邻金属:与按键旁边的接地金属兼容
- 面板厚度:玻璃最厚为50mm,塑料为20mm(取决于按键尺寸)
- 按键灵敏度:可通过串行接口以及简单的命令单独设置
- 信号处理:自校准、自动漂移补偿、噪声滤波、Adjacent Key Suppression®
- 检测并报告按键故障
- 接口:
- UART
- SPI从器件(4MHz最大时钟速率)
- 状态指示引脚
- 调试输出
- 符合FMEA标准的设计
- 符合IEC/EN/UL60730标准的设计特性
- 通过UL认证
- 符合VDE标准
- 适用于B类和C类安全关键型产品
- 电源电压:4.75V至5.25V
- 封装:44引脚10mm × 10mm TQFP
- 符合RoHS指令
应用
- 家用电器
- 人机界面
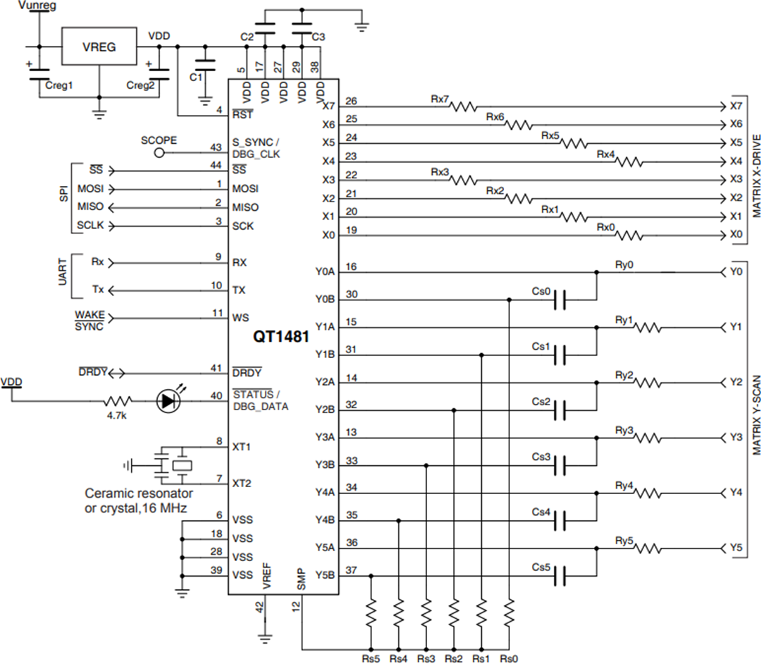
应用电路
发布日期: 2018-12-20
| 更新日期: 2023-01-10

