DT100104 Trust板支持mikroElectronica接头,该接头可连接到任何具有mikroBUS连接功能的电路板。DT100104开发板为需要插座板进行初始开发和测试的样本单位提供了替代方案。
特性
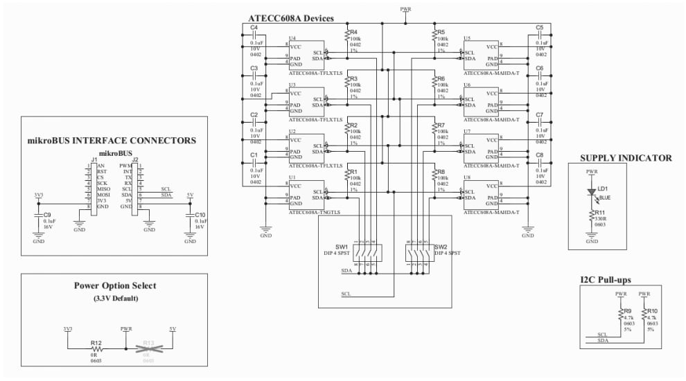
- 包含8个ATECC608A安全元件
- 1 Trust&GO: ATECC608A-TNGTLS
- 3 TrustFLEX:ATECC608A-TFLXTLS
- 4 TrustCUSTOM:ATECC608A-MAHDA
- mikroBUS接头,用于连接到任何mikroBUS主机接头
- 还可通过ATMBusAdapter连接到任何Microchip Xplained板
- 通过DIP开关可选择开发所需的安全元件
- 可以选择每种类型的一个器件(最多3个)
视频
前后视图
连接到Xplained Pro开发平台
原理图
连接到CryptoAuth Trust Platform开发板的DT100104
发布日期: 2019-10-04
| 更新日期: 2025-07-28

