特性
- 高性能、低功耗AVR® 8位微控制器
- 先进的RISC架构
- 非易失性程序和数据存储器
- JTAG(符合IEEE标准1149.1)接口
- I/O和封装
- 36条可编程I/O线路
- 40引脚PDIP、44引脚TQFP和44引脚QFN/MLF
- 工作电压范围:1.8V至5.5V
- 速度等级
- 0MHz至4MHz(1.8V至5.5V)
- 0MHz至10MHz(2.7V至5.5V)
- 0MHz至20MHz(4.5V至5.5V)
- 1MHz、1.8V、25°C条件下功耗
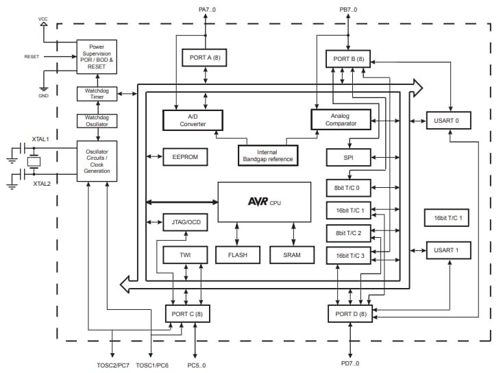
框图
发布日期: 2019-08-28
| 更新日期: 2023-04-27

