ATMXT640UD maXTouch触摸屏控制器采用专有的差分触摸感应,具有无与伦比的抗噪性,即使在恶劣环境中也能确保出色的触摸性能。该器件可通过各种叠加材料和厚度来检测和跟踪多指厚手套触摸,即使在潮湿、水甚至盐雾的情况下也是如此。这些特性与高采集速度相结合,可提供快速、准确、可靠的触摸解决方案。ATMXT640UD控制器还具有诊断功能,可连续监控触摸系统的完整性。
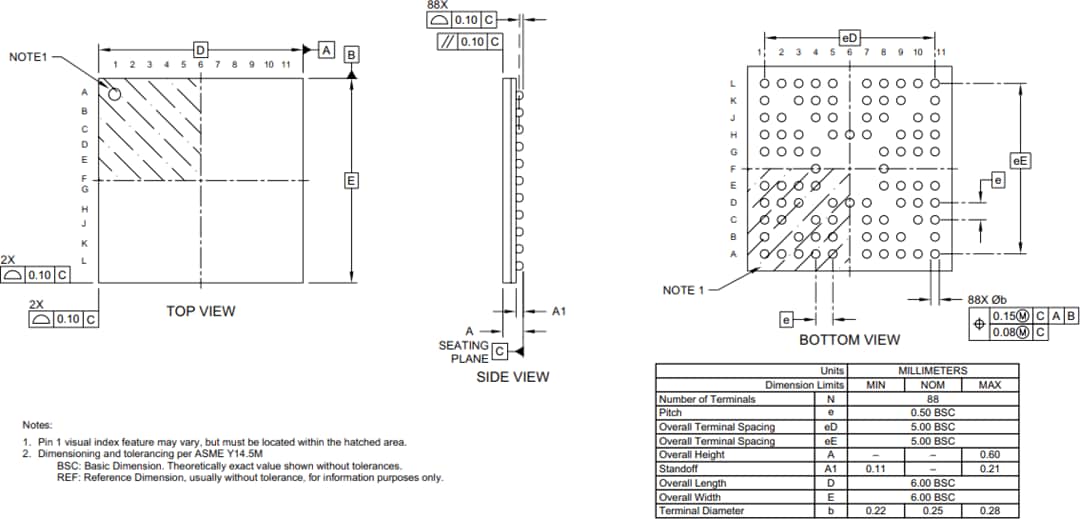
Microchip Technology ATMXT640UD maXTouch触摸屏控制器采用6.0mmx6.0mm UFBGA-88封装,工作温度范围为-40°C至+105°C。
特性
- 功能安全(仅限HA1型号)
- UL/IEC 60730 B类支持
- 上电自诊断,运行中定期测试
- 心跳(活着的)信号输出至主机
- maXTouch自适应传感技术
- 多达32条(发射)线路和20条(接收)线路,用于触摸屏和/或关键阵列
- 最多可为触摸传感器分配640个节点
- 触摸屏尺寸为9.7"(16:10纵横比),假设传感器电极间距为6.5mm。其他尺寸可采用不同的电极间距和适当的传感器材料实现
- 密钥
- 除了触摸屏外,还可分配多达32个节点作为互电容传感器键,定义为一个键阵列(取决于X和Y线路及其他配置的可用性)
- 支持多达3个互电容通用键,替代触摸屏键阵列(取决于其他配置)
- 支持相邻键抑制 (AKS) 技术,防止错误按键
- 触摸传感器技术
- 分立式/电池外支持,包括玻璃和PET薄膜传感器
- On-cell/touch-on显示器支持,包括TFT、LCD (ITPS、IPS) 和OLED
- 具有显示刷新定时功能的同步
- 支持标准(例如钻石)和专有传感器模式
- 前面板材料和设计
- 与PET或玻璃配合使用,包括曲线的配置(配置和堆叠要由Microchip或Microchip有资质的触摸传感器模块合作伙伴批准)
- 10.0mm玻璃(或5.0mm PMMA),带裸手指(取决于传感器尺寸、触摸尺寸、配置和堆叠)
- 6.0mm玻璃(或3.0mm PMMA),带多指5mm手套(相当于2.7mm PMMA)(取决于传感器尺寸、触摸尺寸、配置和堆叠)
- 支持非矩形传感器设计(例如圆的、倒圆角或带有切口)
- 数据存储
- 多达64字节自定义用户数据(非CRC和校验)
- 节能
- 可编程超时,用于从活动状态自动转换为空闲状态
- 流水线模拟传感检测和数字处理,以优化系统功率效率
- 增强型算法
- 可消除显示噪声的镜头弯曲算法
- 可消除意外的大范围触摸的触摸抑制算法,如手掌
- 触摸性能
- 湿气/水补偿
- 冷凝或直径小于22.0mm的水滴不会造成错误触摸
- 单指跟踪冷凝或直径小于22.0mm的水滴
- 支持互电容和自电容测量,可实现可靠的触摸检测
- 支持P2P互电容测量,用于额外敏感的多点触摸感应
- 噪声抑制技术,可抑制环境和电源线噪声
- 在1Hz至1kHz正弦波形间高达240VPP(无触摸)
- IEC 61000-4-6、10Vrms、A类(正常触摸操作)传导噪声抑制
- 手写笔支持
- 支持1.5mm触点直径的无源手写笔,具体取决于配置、堆叠和传感器设计
- 突发频率
- 灵活动态的Tx突发频率选择,可减少EMC干扰
- 可配置Tx波形整形,以减少辐射
- 扫描速度
- 十次触摸≥90Hz的典型报告速率(取决于配置)
- 初始触摸延迟(在空闲时首次触摸):<25ms(具体取决于配置)
- 可通过配置实现功率和速度优化
- 湿气/水补偿
- 片上手势
- 报告单触控和双触控手势
- 应用接口
- I2C客户端接口,用于与器件进行主通信,支持标准模式(高达100kHz)、快速模式(高达400kHz)、快速模式+(高达1MHz)、高速模式(高达4MHz)
- 可选第二个SPI接口,用于单独发消息(高达8MHz)
- 两个独立中断,用于指示对应接口上是否有消息
- 其他硬件调试接口读取原始数据进行调谐和调试
- 电源
- 数字 (VDD):3V(标称值)
- 数字I/O (VDDIO):3V(标称值)
- 模拟 (AVDD):3V(标称值)
- 高压内部X线路驱动 (XVDD) 6V或9.9V,带内部电压泵
- 物理特性
- 工作温度范围:-40°C至+105°C
- 6.0mm x 6.0mm x 0.6mm UFBGA-88封装;0.5mm脚距
应用
- HMI接口,用于工业、电器或医疗设计
- 需要UL/IEC 60730 B类功能安全(仅限HA1型号)的应用
封装外形
发布日期: 2021-11-18
| 更新日期: 2022-03-11

