DSC61x时钟发生器无需外部石英晶振,可显著提高可靠性并加快产品的开发速度。这些时钟发生器采用1.6mm x 1.2mm、2mm x 1.6mm和2.5mm x 2mm VFLGA塑料封装。
特性
- 基于MEMS的时钟发生器,无需外部晶振或参考时钟
- 宽电源电压范围:1.71V至3.63V
- 超小封装尺寸:
- 1.6mm x 1.2mm
- 2mm x 1.6mm
- 2.5mm x 2mm
- ±20ppm、±25ppm和±50ppm高频稳定性
- DSC612:
- 两个LVCMOS输出时钟,频率为2kHz至100MHz
- 低功耗:5mA
- DSC613:
- 三个LVCMOS输出时钟,频率为2kHz至100MHz
- 低功耗:5.2mA
- 宽温度范围:
- 汽车:-40°C至125°C
- 外部工业:-40°C至105°C
- 工业:-40°C至85°C
- 商业:-20°C至70°C
- 出色的抗冲击和抗振动性:
- 符合MIL-STD-883标准
- 高可靠性
- 无铅,符合RoHS指令
- 可提供符合AEC-Q100标准的汽车级版本
应用
- 低功耗/便携式应用:
- 物联网
- 嵌入式/智能设备
- 消费类产品:
- 家用保健器械
- 健身设备
- 家居自动化
- 工业:
- 楼宇/工厂自动化
- 监控摄像机
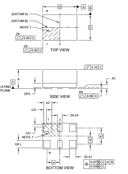
DSC61x尺寸
View Results ( 2 ) Page
| 物料编号 | 数据表 | 描述 | 系列 |
|---|---|---|---|
| DSC612PI2A-012Q | ![]() |
专业振荡器 2-Output MEMS Clock Gen, 24M, 25M, -40C-85C, 25ppm, 1.6x1.2mm | DSC612 |
| DSC612RI1A-012M | ![]() |
专业振荡器 2-Output MEMS Clock Gen, 25 , 50 , -40C-85C, 50ppm, 2.5x2.0mm | DSC612 |
发布日期: 2018-12-13
| 更新日期: 2023-01-10


