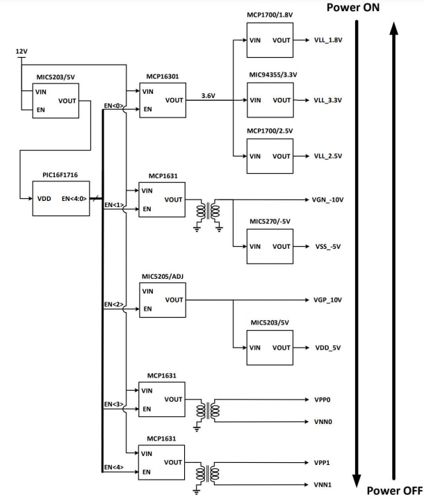
特性
- 包括超声波脉冲发生器和多路复用器演示板所需的所有电压轨
- 电源排序和故障保护
- 支持外部同步
- 单12V输入(还兼容标准2.5mm电源插孔)
- 自动上电/断电排序
- VNN电源轨可配置为与VPP电源轨相反的极性
- 可用独立电源轨:
- 1.8V、2.5V、3.3V、5V、-5V、10V、-10V、VPP0、VN0、VPP1和VNN1
- VPP电源轨可配置为:
- 60 V、80 V、90 V或100 V
- 可选外部同步,用于VPP0、VN0、VPP1、VN1和-10 V
- 低纹波LDO提供1.8V、2.5V、3.3V、5V、-5V和10V电源轨
- 用于所有电压轨的LED状态指示灯
- VPP0、VN0、VPP1和VN1电源轨故障监控,发生故障时自动关断序列
框图
电源板参考设计
其他资源
发布日期: 2024-09-05
| 更新日期: 2024-11-20

