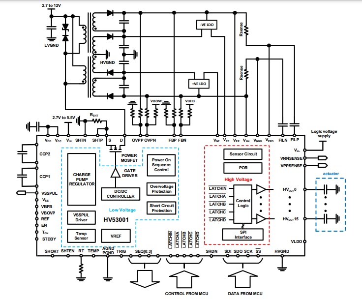
HV53001具有16个推挽式驱动器,输出摆幅为±135V,具有返回至零 (RTZ) 功能,每个驱动器的拉电流和灌电流至少为24mA。每路高压输出均能够驱动高达250pF容性负载。此外,HV53011集成了全局电流传感器功能,可监控充电和放电电流。通过电流检测电阻器将测量的电流映射到低压模拟输出,比例因数为3.1V/V。
Microchip HV53001 16通道推挽式驱动器利用SPI接口在主机处理器和高压驱动器之间进行通信。该接口提供3.3V逻辑I/O信号,时钟速度高达32MHz。五个数字LATCH控制信号管理数据流和点火模式,同时将输出设置为四种可能状态之一:VPP、VNN、0V或高阻抗。
HV53001包含一个带功率MOSFET的集成直流/直流控制器。对于高压驱动器模块,该控制器采用反激式配置,可为高压驱动器模块生成四个高压轨(±135V和±123V)。±123V电源轨由两个以±135V电源轨为基准的12V浮动电源创建。该转换器接受一个2.7V至5.5V输入电压轨的输入电压。内置正电荷泵和简易外部负电荷泵,将输入电源转换为+6.5V和-6.0V电源,从而为高压驱动器模块供电。
HV53001具有精确的上电和断电序列以及电源序列控制电路,供用户控制电源,让高压驱动器上电或断电。该器件与外部高压FET晶体管搭配使用。
HV53001具有诸多安全特性,包括过压保护、短路保护和过热监控功能。
HV53001器件采用9mm x 9mm 105焊球TFBGA封装。所有高压I/O均具有足够的安全间隙。
特性
- 16通道推挽式输出
- 返回至零 (RTZ) 和高阻抗 (Hi-Z) 功能
- 输出电压:高达±135V
- 拉-灌输出电流:24mA(最小值)
- 最大输出负载:250pF
- 电流传感器输出
- SPI接口,每通道采用四锁存2位架构
- 上电复位功能
- 带功率MOSFET的直流/直流升压转换器
- 转换器输入电压:2.7V至5.5V
- 短路保护
- 过热监测器
- 电源开/关顺序控制
- 关断功能
- 105焊球9mm x 9mm TFBGA封装
应用
- 表面触觉应用
- MEMS驱动器
- 压电驱动器
典型应用图
框图
发布日期: 2022-04-15
| 更新日期: 2022-04-25

