Microchip Technology HV56022双250V触觉驱动放大器阵列

Microchip Technology HV56022双250V触觉驱动放大器阵列设计用于驱动225V触觉(压电)执行器。该阵列工作电流为40mA(最小值)拉/灌电流。该放大器为225V正弦波形124Hz的-3dB带宽设计,驱动0.22μF电容式负载。

特性

  • 双高电压运算放大器
  • 高达+225V
  • 40mA(最小值)峰值输出灌/拉电流
  • 用于短路检测的输出电压比较器
  • 124Hz,-3dB带宽,带0.22μF负载

应用

  • 触觉驱动器
  • 功率放大器

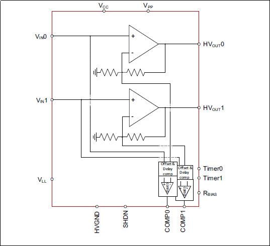
框图

Microchip Technology HV56022双250V触觉驱动放大器阵列
发布日期: 2022-08-25 | 更新日期: 2022-09-12