Microchip Technology HV96001 LED控制器
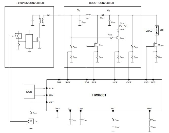
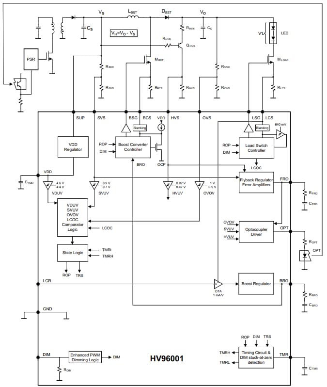
Microchip Technology HV96001 LED控制器是一种微界面无闪烁LED控制器,具有增强的PWM(数字)调光和模拟调光功能。 这些LED驱动器专为需要宽调光能力的离线照明应用而设计。HV96001 LED控制器通过调整交流-直流转换级的输出电压,在宽LED负载电压范围内保持高转换效率。这些LED控制器还能保持对LED电流振幅的精确控制,有助于实现一致的色温。HV96001 LED控制器具有两个反馈调节器,包括一个用于控制LED电流振幅的升压调节器和一个用于控制反激式输出电压的反激式调节器。HV96001 LED控制器提供故障恢复功能,使用计时电容器进行自动重试延迟设置,通过自动重试延迟为输出提供短路保护。Microchip Technology的这些LED控制器非常适合用于离线LED照明应用,具有广泛的PWM调光和线性调光功能。特性
- 宽输入电压范围:8 V至60 V
- 线性(模拟)调光:
- LED电流振幅控制范围广
- 脉冲宽度调制 (PWM)(数字)调光:
- 调光低至0.01%以及更低
- PWM脉冲宽度低于150ns
- PWM调光频率可达20kHz
- 反激式转换器
- 输出电压可自动调节,以保持较高的系统效率
- 升压转换器
- 接近零的宽输出电压纹波,实现无纹波LED电流
- 100Hz/120Hz纹波抑制
- 200kHz固定开关频率
- VDD 稳压器
- 60V输入电压/5V输出电压
- 10mA驱动,用于为外部负载供电
- 故障恢复,使用定时电容器设置自动重试延迟
- 欠压检测:
- VDD 电压
- 电源电压(反激式输出电压)
- 过电压检测
- LED负载电压(升压输出电压)
- 过流检测
- 负载开关电流
- 零位卡住检测:
- DIM输入信号
- 输出短路保护,自动重试延迟
应用
- 离线LED照明应用,具有各种PWM调光和线性调光功能。
框图
典型应用电路
发布日期: 2020-01-21
| 更新日期: 2024-07-09
