特性
- Wide Operating Voltage Range: 4.5-42V
- Analog Peak-Current Mode Pulse-Width Modulation (PWM) Control
- Integrated 8-Bit PIC® Microcontroller
- Significant Configurability: Adjustable Output Voltage, Switching Frequency, MOSFET Deadtime, I2C Communication Interface
- Integrated, Synchronous Low-Side MOSFET Drivers
- Minimal External Components Needed
- Custom Algorithm Support
- Topologies Supported: Boost, SEPIC, Flyback, and Cuk
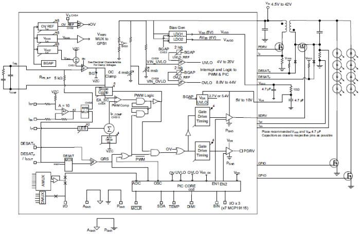
Block Diagram
发布日期: 2014-06-04
| 更新日期: 2022-03-11

