Microchip Technology MCP19116/MCP19117模拟电源控制器
Microchip MCP19116/MCP19117模拟电源控制器是中压(4.5V至42V)模拟PWM控制器,带一个集成式8位PIC™微控制器。这款独特产品系列将包括高效率和快速瞬态响应在内的高速模拟解决方案性能与数字解决方案的可配置性与通信接口相结合。将这些类型的解决方案相结合,产生了一个新的器件系列,该系列集各技术优势于一身,实现了更经济高效、可配置且性能卓越的电源转换解决方案。这些产品可用于开发灵活电源,使用最少外部组件完美地配置到目标应用。而且,可以将这些器件编程为对系统内测量或事件作出动态响应,通过根据环境动态定制操作或对稳健操作的故障作出智能响应来实现这一点。MCP19116/MCP19117型号与MCP19114和MCP19115型号类似,但包含额外校准功能,可提高精度和测量水平。它们还配有较大闪存,用于在器件中存储其他代码。MCP19117在功能上与我们的MCP19116相当,但MCP19117拥有更多GPIO和一个调试接口。MCP19116/MCP19117硬件和软件开发工具提供一个方便而强大的开发平台,可用于开发和评估升压和降压/升压电源设计。
特性
- 温度变化小于5%时的电流调节精度,包括全部线路、负载和系统变化
- 在宽工作范围内具有动态可调输出电流
- 宽工作电压范围:4.5V至42V
- 模拟峰值电流模式脉冲宽度调制 (PWM) 控制
- 集成8位PIC®微控制器
- 出色的可配置性:可调输出电压、输出电流、MOSFET死区时间、前沿消隐时间、热响应、斜率补偿、过流保护、过压和欠压锁定电平
- 可用固定频率或准谐振模式操作,31kHz至2MHz可调
- I2C通信接口
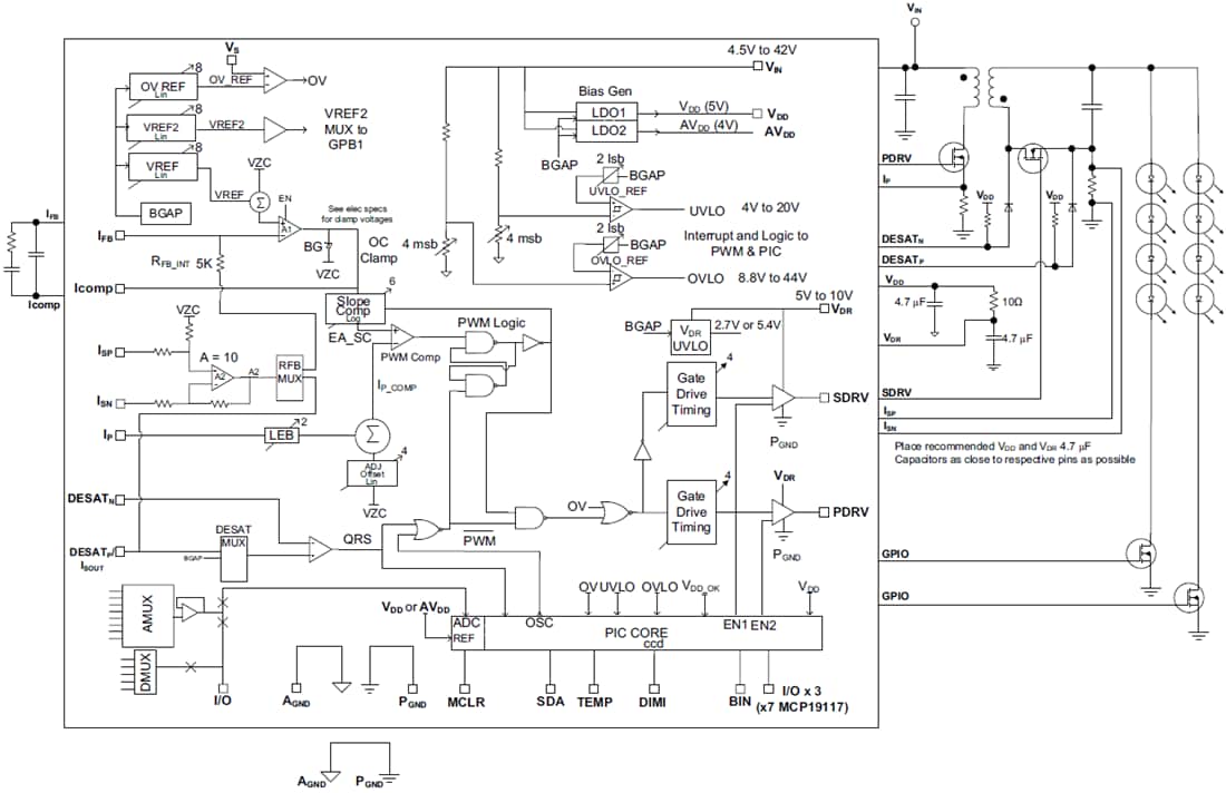
框图
发布日期: 2019-07-31
| 更新日期: 2023-06-05
