Microchip Technology MCP19215双通道升压/SEPIC评估板
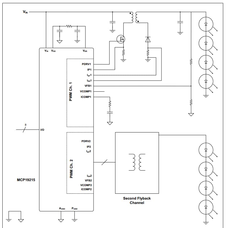
Microchip Technology MCP19215双通道升压/SEPIC评估板是一款双通道控制器板,用于评估MCP19215 PWM控制器。该评估板可在宽负载范围和输入电压下演示升压和SEPIC拓扑结构中MCP19215的功能。几乎所有的操作和控制系统参数的编程都可以通过板载PIC控制器进行管理。MCP19215板具有300kHz开关频率,可通过I2C通信进行状态报告,输入电压范围为8V至15V。该评估板具有20V的默认输出电压(两个通道)和0.2A的默认输出电流。MCP19215板套件设有USB A转mini-USB Type B电缆。The Microchip Technology MCP19215 Evaluation Board (ADM00799) demonstrates the function of the MCP19215 during Boost and SEPIC topologies over a wide load range and input voltage. Almost all programming of the operational and control system parameters can be managed through the onboard PIC controller. The MCP19215 Evaluation Board features a 300kHz switching frequency, a status report via I2C communication, and an 8V to 15V input voltage range. This Evaluation Board comes with a default output voltage of 20V for both channels and a default output current of 0.2A. The MCP19215 Evaluation Board includes a USB A to mini-USB type B cable.
特性
- 输入电压范围:8V至15V
- 输出电压:20V(两个通道)
- 最大输出电流:1A
- 开关频率:300kHz
- 板载高性能功率MOSFET晶体管
- 过流和过压保护
- 通过I2C通信进行状态报告
- 欠压锁定 (UVLO),带可编程阈值(通过软件)
Board Layout
MCP19215板典型应用电路
发布日期: 2017-06-09
| 更新日期: 2022-03-11
