此款Microchip AFE还可以在生产过程中更快完成校正。MCP3911提供四种不同的功耗模式,能灵活调整,用于每通道0.8 mA的极低功耗设计,或针对更高速信号和谐波含量的设计。MCP3911亦支持2.7V至3.6V的模拟和数字操作,通过使用与微控制器相同的电源轨来简化接口。
特性
- 两个同步采样16/24位分辨率Σ - Δ A/D转换器
- 94.5dB SINAD、-106.5dBc总谐波失真 (THD)(最多35次谐波)、111 dB
- 每个通道皆具有SFDR
- 2.7V至3.6V AVDD、DVDD
- 可编程数据传输速率高达125ksps
- 最高采样频率:4MHz
- 超采样率高达4096
- 超低功耗关机模式:<2μA
- 两个通道之间的串音:-122dB
- 低漂移1.2V内部电压参考:7ppm/°C
- 差分电压参考输入脚位
- 每个通道皆有高增益PGA(高达32 V/V)
- 时间分辨率1 μs的相位延迟补偿
- 每个通道皆有独立的调制器输出引脚
- 独立的数据就绪引脚,方便同步
- 每个通道皆有单独的24位数字偏移和增益误差校正
- 高速20 MHz SPI接口,兼容0,0和1,1模式
- 连续读/写模式,可尽量减少通信
- 低耗电量(低功耗模式下,3.3V时为8.9 mW,3.3V时为5.6 mW,典型值)
应用
- 电表与电能计量
- 汽车
- 便携式仪器
- 医疗与电源监测
- 音频/语音识别
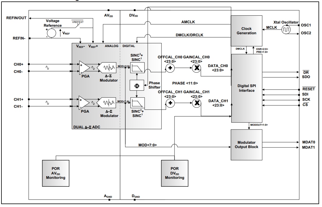
功能框图
发布日期: 2012-05-02
| 更新日期: 2023-08-15

