特性
- 线性充电管理控制器:
- 内部集成了传输晶体管
- 内部集成了电流检测功能
- 具有反向放电保护功能
- 高精度预置电压调节: + 0.75%
- 四种预置电压调节选项:
- 4.20V、4.35V、4.40V和4.50V
- 可编程充电电流:15mA至500mA
- 可选择电池预充:
- 10%、20%、40%或终止
- 可选充电结束控制:
- 5%、7.5%、10%或20%
- 充电状态输出
- 三态输出 - MCP73831
- 开漏输出 - MCP73832
- 自动关断电源
- 热调节
- 温度范围:-40°C至+85°C
- 封装:
- 8引脚2x3mm DFN
- 5引脚SOT-23
应用
- 锂离子 / 锂聚合物电池充电器
- 个人数字助理
- 蜂窝电话
- 数码相机
- MP3播放器
- 蓝牙耳机
- USB充电器
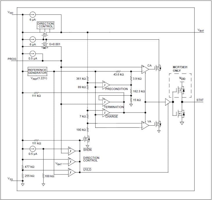
框图
发布日期: 2016-08-15
| 更新日期: 2023-08-03

