MCP802x器件集成了3.3V或5.0V LDO稳压器,用于主机/外设电源、过热传感器和用户可配置功能。用户可配置的功能包括死区时间、消隐时间、待机期间运算放大器启用/禁用、启用/禁用睡眠模式、启用/禁用过流检测以及启用/禁用栅极驱动欠压保护。板载3.3V或5.0V压差稳压器可提供70mA电流。电压 选项由零件编号选择。
MCP8021的封装选项包括28引脚5mm x 5mm VQFN封装和28引脚TSSOP-EP封装。MCP8022采用40引脚5mm x 5mm VQFN封装和38引脚TSSOP-EP封装。MCP8022器件还添加了三个独立运算放大器,用于普通用途。
特性
- AEC-Q100 0级认证
- 3个半桥驱动器,配置用于驱动外部高侧NMOS和低侧NMOS MOSFET
- 独立输入控制,用于高侧和低侧NMOS MOSFET栅极驱动器
- 峰值输出电流:0.5A(12V时,典型值)
- 击穿保护
- 过电流和短路保护
- 3个运算放大器 (MCP8022)
- 固定输出线性稳压器
- 3.3V或5.0V(70mA时)
- 真电流折返
- 电源电流
- 睡眠模式:5µA(典型值)
- 待机模式
- MCP8021:<330 µA
- <330µA(MCP8022),运算放大器关闭
- <1300µA(MCP8022),运算放大器开启
- 专用WAKE引脚,用于睡眠模式恢复
- 专用FAULT引脚
- 单线UART通信
- 电压范围
- 电源:4V至40V
- 工作电压:6.25V至29V
- 保护特性
- 栅极驱动欠压闭锁:4.5V
- 电源电压欠压关断:4.5V
- 电源电压欠压闭锁:6.25V
- 过压闭锁:29V
- 热关断
- 封装选项
- MCP8021
- 28引脚5mm x 5mm VQFN
- 28引脚TSSOP-EP
- MCP8022
- 40引脚5mm x 5mm VQFN
- 38引脚TSSOP-EP
- MCP8021
- 温度范围:-40°C至+165°C
应用
- 汽车
- 燃料、水和燃油泵
- 通风电机
- 车窗升降器、行李箱开门器和天窗
- 家用电器
- 永磁同步电机 (PMSM) 控制
- 玩具飞机、船只和车辆
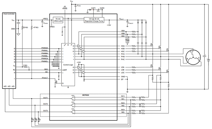
典型应用电路
View Results ( 3 ) Page
| 物料编号 | 数据表 | 工作电源电流 | 输出电压 | 封装 / 箱体 |
|---|---|---|---|---|
| MCP8021-5015H/9PXVAO | ![]() |
1.2 mA | 5 V | VQFN-28 |
| MCP8022-3315H/NHXVAO | ![]() |
1.5 mA | 3.3 V | VQFN-40 |
| MCP8022-5015H/NHXVAO | ![]() |
1.5 mA | 5 V | VQFN-40 |
发布日期: 2023-11-08
| 更新日期: 2023-11-13


