其他功能包括多种诊断功能,其中包含过温、过电流和过电压保护。规格包括5.5V至70V输入电压范围 、 -40°C至+125°C工作温度范围、以及基板电网阵列 (LGA) 封装。Microchip Technology MCPF1412模块具有5.8mm x 4.9mm x 1.6mm的紧凑外观尺寸,适用于服务器、路由器、基站、大功率密度PoL转换和电信设备。
特性
- PoL模块包含输出电感器
- 连续12A负载能力
- 无需外部补偿
- 通过I2C和PmBus实现可编程操作
- 启用输入、可编程欠压锁定 (UVLO) 电路
- 电源良好指示灯
- 内置保护
应用
- 服务器
- 工作站
- 云计算
- 大功率密度PoL转换
- 路由器
- 开关
- 电信设备
- 基站
- 数据中心电源解决方案
规范
- 尺寸:5.8 mm x 4.9 mm x 1.6 mm
- 可调输出电压范围:0.6 V至1.8 V
- 工作温度范围:-40 °C至+125 °C
- 不含铅,不含卤素
- 符合欧盟REACH和RoHS标准
典型应用
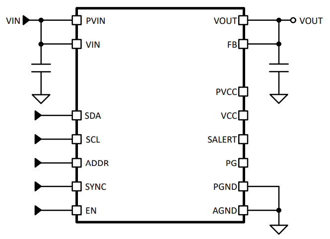
方框图
发布日期: 2025-04-28
| 更新日期: 2025-08-29

