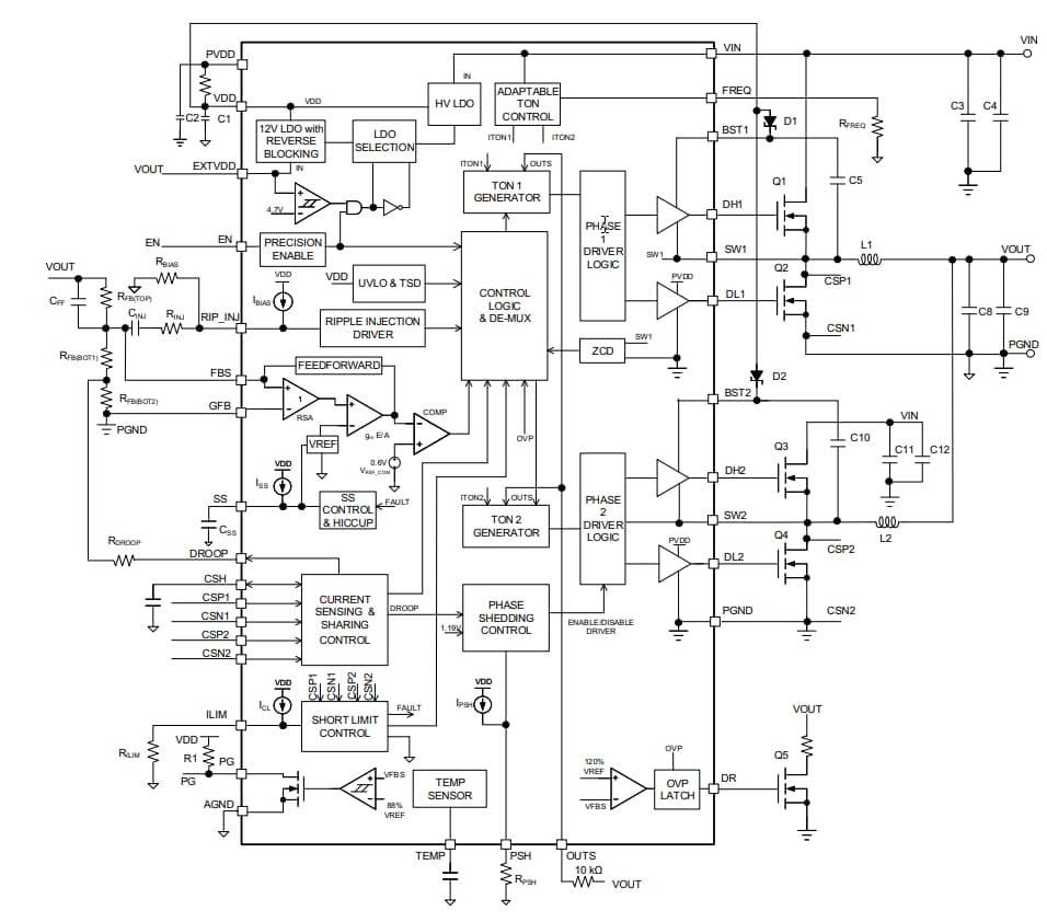
Microchip MIC21LV32和MIC21LV33的输入电源电压范围为4.5V至36V,可用于提供高达50A输出电流。输入电压可降至2V,提供的外部VDD为5V。这些器件的输出电压可调节,低至0.6V,在整个工作温度范围内保证精度为+/-1%。
MIC21LV32和MIC21LV33控制器采用32引脚5mmx5mm VQFN封装,工作结温范围为-40°C至+125°C。
特性
- 输入电压范围:4.5V至36V
- 外部电源VDD=5V时,输入低至2V
- 可调输出电压范围:0.6V至28V
- 自适应恒定导通时间控制:
- 高DeltaV运行
- Any Capacitor™稳定性
- 0.6V内部基准,精度为±1%
- 参考精度:±0.5%(-40°C至105°C)
- 新型纹波注入方法,支持高于50%占空比运行
- 在CCM下运行,可堆叠,实现多相运行(高达8相)(MIC21LV32)
- HyperLight Load®和自动切相 (MIC21LV33)
- 能够连接外部MCU (MIC21LV33)
- 精确相间电流均衡
- 精确的180°相位输出
- 每相开关频率:100kHz至1MHz
- 高压内部5V LDO,用于单电源运行 (MIC21LV33)
- 二次LDO,可提高系统效率
- 支持预偏置输出启动
- 远程检测放大器,可实现精准输出稳压
- 压降特性,支持自适应电压定位 (AVP),改进负载瞬态响应
- 精密使能功能可实现低待机电流
- 外部可编程软启动,降低浪涌电流
- 无损RDSON电流检测,采用NTC温度补偿或电阻器检测方法
- 可编程电流限制和断续模式短路保护
- 带滞后的热关断
- 结温范围:-40°C至+125°C
- 紧凑尺寸5mm x 5mm 32引脚VQFN封装
应用
- 分布式电源系统
- 通信/网络基础设施
- 打印机、扫描仪、图形卡和视频卡
- FPGA、CPU、MEM、GPU内核电源
发布日期: 2021-04-28
| 更新日期: 2022-04-20

