The Microchip Technology MIC28514 Voltage Regulator is available in a 38-pin 6mm x 6mm PQFN pacakge with a -40°C to +125°C operating range.
特性
- Hyperspeed control架构可实现:
- 高输入到输出电压转换比能力(VIN=75V和VOUT=0.6V)
- 低输出电容
- 可调输出电压范围:0.6V至32V
- 零ESR到高ESR输出电容器
- 内部补偿
- 内置5V稳压器,用于单电源运行
- 辅助电压自举LDO,用于提高系统效率
- 内部自举二极管
- 可调软启动时间
- 可编程电流限制
- 断续模式短路保护
- 热关断
- 支持安全启动,进入预偏置输出
- 采用32引脚、6mm x 6mm VQFN封装
应用
- 分布式电源系统
- 通信/网络基础设施
- 工业电源
- 太阳能
Typical Application Circuit
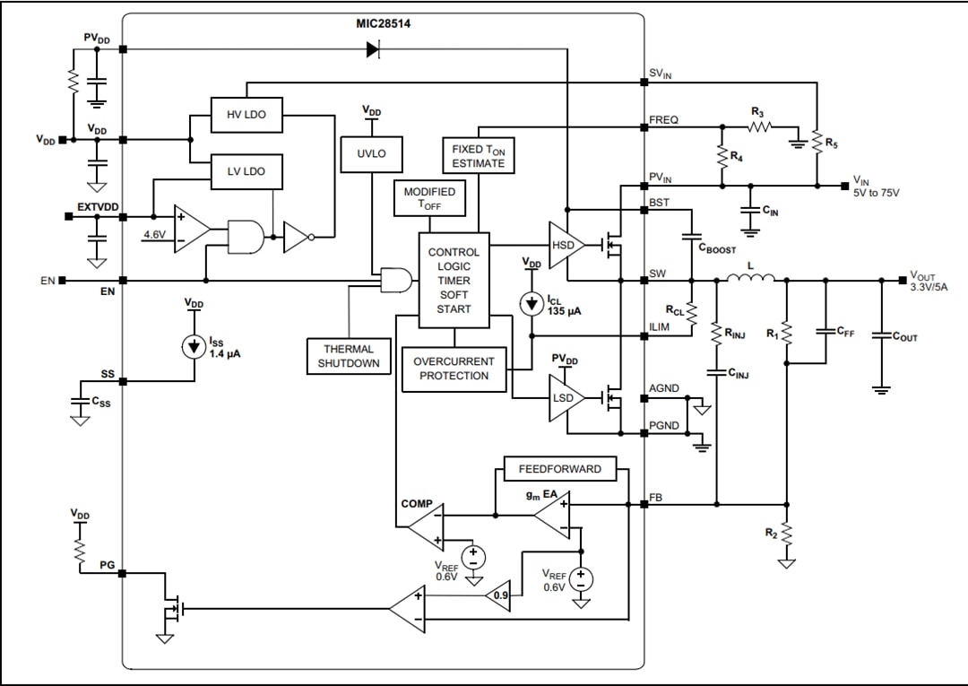
Block Diagram
发布日期: 2017-05-29
| 更新日期: 2022-03-11

