The Microchip Technology PIC18F MCUs are available in SOIC-28, PDIP-40, and TQP-44 package options for design flexibility.
特性
- C编译器优化RISC架构
- 仅83条指令
- 运行速度:
- 直流至64MHz时钟输入
- 最小指令周期:62.5ns
- 可编程2级中断优先级
- 31级深度硬件堆栈
- 三个8位定时器 (TMR2/4/6),带硬件限制定时器 (HLT)
- 四个 16 位计时器 (TMR0/1/3/5)
- 小电流上电复位 (POR)
- 上电延时计时器 (PWRT)
- 欠压复位 (BOR)
- 低功耗BOR (LPBOR) 选项
- 可编程代码保护
- 窗口看门狗定时器 (WWDT):
- 定时器监控溢出和下溢事件
- 可变预分频器选择
- 可变窗口尺寸选择
- 所有源皆可在硬件或软件中配置
视频
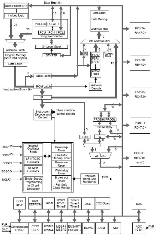
框图
发布日期: 2017-03-01
| 更新日期: 2022-03-11

