PIC18FxQ10 MCU可通过上电复位 (POR)、欠压复位 (BOR)、低功耗欠压复位 (LPBOR)、堆栈上溢或堆栈下溢轻松复位。PIC18FxQ10 MCU能够通过两个引脚进行In-Circuit Serial Programming™ (ICSP™),以及经由两个引脚并借助三个断点进行在线调试 (ICD)。只有在超时期间并在特定窗口内执行操作时,WWDT才接受CLRWDT指令以从意外事件中恢复系统。带故障保护时钟监控器 (FSCM) 的振荡器模块具有多种选择特性和时钟源,有助于最大限度地降低功耗并提高性能。
特性
- C编译器优化RISC架构
- 4个16位定时器
- 小电流上电复位 (POR)
- 上电延时计时器 (PWRT)
- 欠压复位 (BOR)
- 低功耗BOR (LPBOR) 选项
- 窗口看门狗定时器 (WWDT)
- PIC18F24/45/25Q10:
- 高达32KB的程序闪存
- 高达2048B的数据SRAM存储器
- 256B数据EEPROM
- PIC18F26/46Q10:
- 高达64KB的程序闪存
- 高达3615B的数据SRAM存储器
- 高达1024B的数据EEPROM
- 工作电压范围:1.8V - 5.5V
- 高精度内部振荡器块 (HFINTOSC)
- 32kHz低功耗内部振荡器 (LFINTOSC)
- 32kHz外部晶体振荡器
- 故障安全时钟监控器 (FSCM)
- 模拟外设:
- 带计算功能的10位ADC (ADC2)
- 硬件电容分压器 (CVD)
- 过零检测 (ZCD)
- 5位数模转换器 (DAC)
- 2个比较器 (CMP)
- 固定电压基准 (FVR) 模块
- 数字外设:
- 互补波形发生器 (CWG)
- 捕获/比较/PWM (CCP) 模块
- 10位脉宽调制器 (PWM)
- 带存储器扫描功能的可编程CRC
- 外设引脚选择 (PPS)
- 数据信号调制器 (DSM)
MPLAB® Xpress基于云的IDE
MPLAB® Xpress基于云的IDE是一个在线开发环境,其中包含我们屡获殊荣的MPLAB X IDE的最常用特性。这款经过精简的应用忠实地再现了我们基于桌面的程序,可让用户轻松地在两种环境之间转换。
对于PIC® MCU的新用户来说,MPLAB Xpress是一个完美的起点 - 无需下载,无需进行机器配置,也无需等待即可着手进行系统开发。
视频
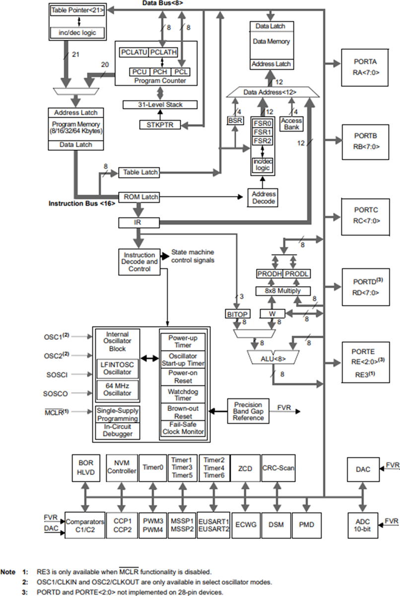
PIC18FxQ10 MCU框图
发布日期: 2018-08-20
| 更新日期: 2025-06-13

