Microchip Technology 超声 T/R 开关集成电路
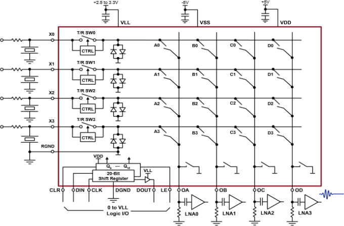
微芯科技 超声 T/R 开关集成电路简易高压限流保护功能。微芯科技 超声 T/R 开关集成电路用于在超声应用中保护低噪声接收器免受高压传输脉冲的影响,通常被称作 T/R(传输和接收)开关。超声 T/R 开关集成电路可被视为一种常闭开关,具有达 15Ω 的典型开关电阻,能够传递小信号。一旦两端的电压降超过标称电压,器件就关闭。在掉电状态下,MD0105、MD0200、MD0201 端子上可承受高达 ±130V 电压,而 MD0101 可承受 ±100V ,允许少量电流,通常是 200μA 流过。超声 T/R 开关集成电路并不仅能用于超声应用,它们还可用于自复保险丝以保护电源线,进行输出短路保护和数据采集。特性
- Fast switching speed
- Four electrically isolated channels
- No external supplies needed
应用
- Medical ultrasound imaging
- NDT applications
- Fast resettable fuses
- High side switches
- Data acquisition
View Results ( 2 ) Page
| 物料编号 | 封装 / 箱体 | 带宽 | 数据表 | 描述 |
|---|---|---|---|---|
| MD0105K6-G | VDFN-18 | 100 MHz | ![]() |
开关 IC - 各种 4CH HV PROTECTION SWITCH |
| MD0101K6-G | DFN-18 | 100 MHz | ![]() |
开关 IC - 各种 HV PROTECTION SWITCH W/ CLAMP DIODES |
发布日期: 2013-04-10
| 更新日期: 2022-03-11

