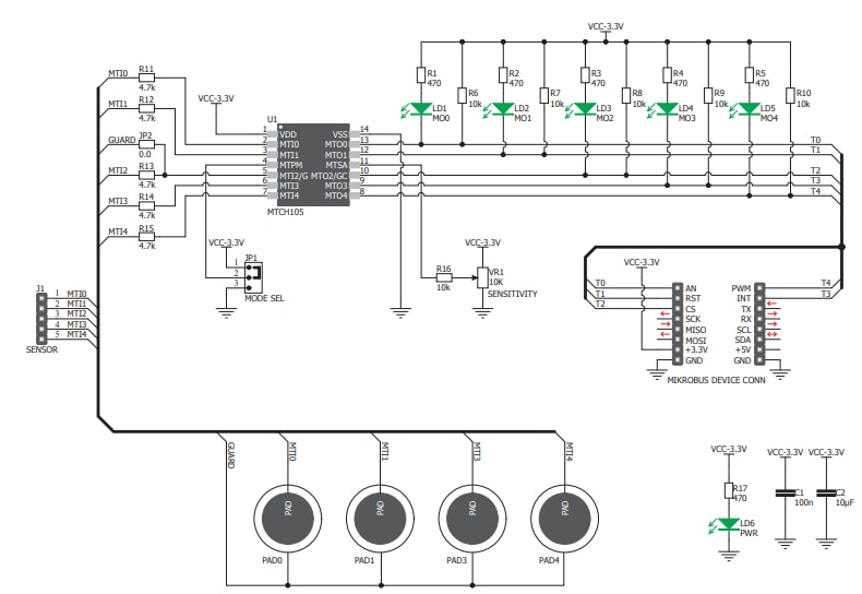
MIKROE-2883 click板设有具有主动防护功能的MTCH105接近/触摸控制器。MTCH105 IC使用复杂的扫描优化算法来主动衰减来自信号的噪声。MIKROE-2883 click板可实现多级有源噪声抑制滤波和自动环境补偿。该click板具有高信噪比 (SNR),并支持各种传感器焊盘外形及尺寸。该click板可用于替代各类按钮或开关、照明开关、办公设备和玩具以及显示器和键盘背光激活装置。
特性
- 板载MTCH105 5通道接近/触摸控制器
- 多级有源低噪声抑制滤波
- 自动环境补偿
- 高信噪比 (SNR)
- 可以隔着各种材料和金属面板感应触摸
- 通用输入/输出 (GPIO) 接口
- 输入电压:3.3V
- 尺寸:57.15mm x 25.4mm
应用
- 替代按钮或开关
- 照明开关、办公设备和玩具
- 显示器和键盘背光激活装置
MIKROE-2883 Cap Extend 3 Click板俯视图
MIKROE-2883 Cap Extend 3 Click板示意图
发布日期: 2018-03-15
| 更新日期: 2022-08-17

