Mikroe MIKROE-3115 ADC 7 Click板
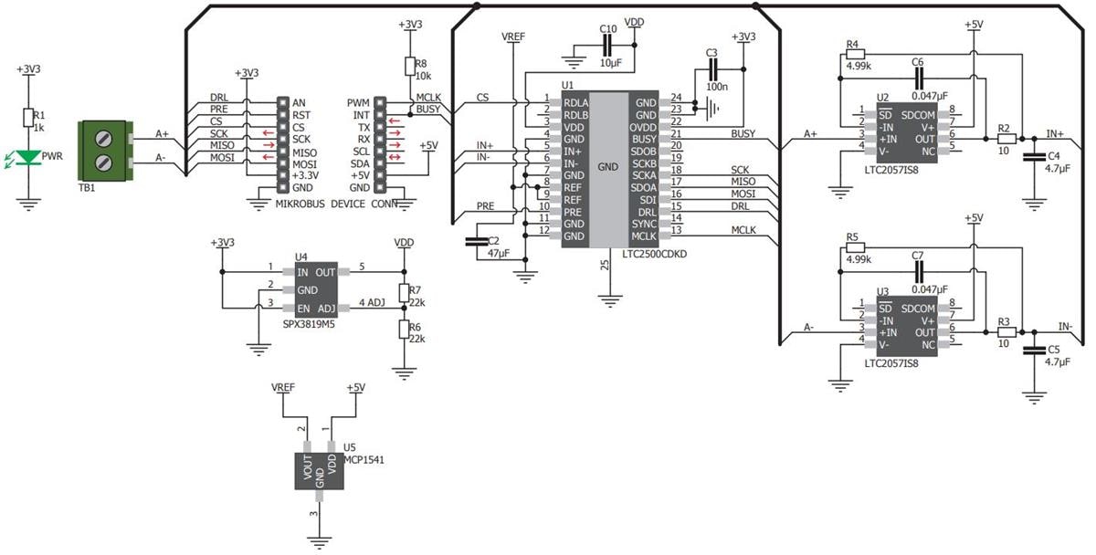
MikroElektronika MIKROE-3115 ADC 7 Click板是一款先进的32位模数转换器 (ADC),具有宽动态范围,支持对输入电压进行精确采样。该click板采用带有可配置的LTC2500-32数字滤波器的32位过采样SAR ADC。该滤波器可通过行业标准SPI接口对滤波参数进行多种预设(可通过硬件引脚选择)和编程。LTC2500-32具有148dB的高动态范围(61SPS时)和32位输出,并且无失码。MIKROE-3115 ADC 7 Click板通过微型MCP1541固定参考电压IC提供4.096V电压,用作LTC2500-32 ADC的外部参考电压。该Click board™非常适合用于地震学应用、高精度仪器应用、能源勘探应用以及需要极高采样精度的类似敏感应用。特性
- 七种带可编程选项的集成数字滤波器
- 具有高动态范围的32位数据输出
- 板载模块:
- 采用带有可配置的LTC2500-32数字滤波器的32位过采样SAR ADC
- 61SPS时具有148dB的高动态范围
- 32位输出,无失码
- Analog Devices的LTC2057运算放大器
- 高电压、低噪声、零漂移
- Microchip的MCP1541固定参考电压IC可提供4.096V电压
- 采用带有可配置的LTC2500-32数字滤波器的32位过采样SAR ADC
- 具有宽共模电压范围,可对不同类型的双极和单极输入信号进行采样
应用
- 高精度仪器
- 地震学应用
- 要求极高采样精度的敏感应用
- 能源勘探应用
概述
示意图
发布日期: 2018-10-24
| 更新日期: 2022-08-25
