Mikroe Flash 4 click板 (MIKROE-3191)

MikroElektronika MIKROE-3191 Flash 4 click板是用于大容量存储的解决方案,适用于各种嵌入式应用。Flash 4 click板可用于代码遮蔽、就地执行 (XIP) 和数据存储。Flash 4 click板采用S25FL512S闪存模块,该模块结合了高性能MirrorBit®技术和Eclipse™架构。该512 Mbit SPI闪存模块是一款市场上速度极快、性能极为可靠的闪存模块。

特性

  • 高耐久性:10万次写入
  • 高级扇区保护 (ASP)
  • 安全OTP存储区
  • 1KB的OTP内存
  • 传输速度快
  • SFDP模式,便于检索特定IC的信息
  • AutoBoot功能,可提高启动性能
  • 接口:QSPI、SPI
  • 输入电压:3.3V或5V
  • 板载模块:Cypress的512 Mbit SPI闪存模块S25FL512S

应用

  • 多媒体设备和数据驱动器中的大容量存储选项。
  • 嵌入式应用、安全存储以及需要可靠永久存储数字信息的类似应用中的非易失性数据存储。

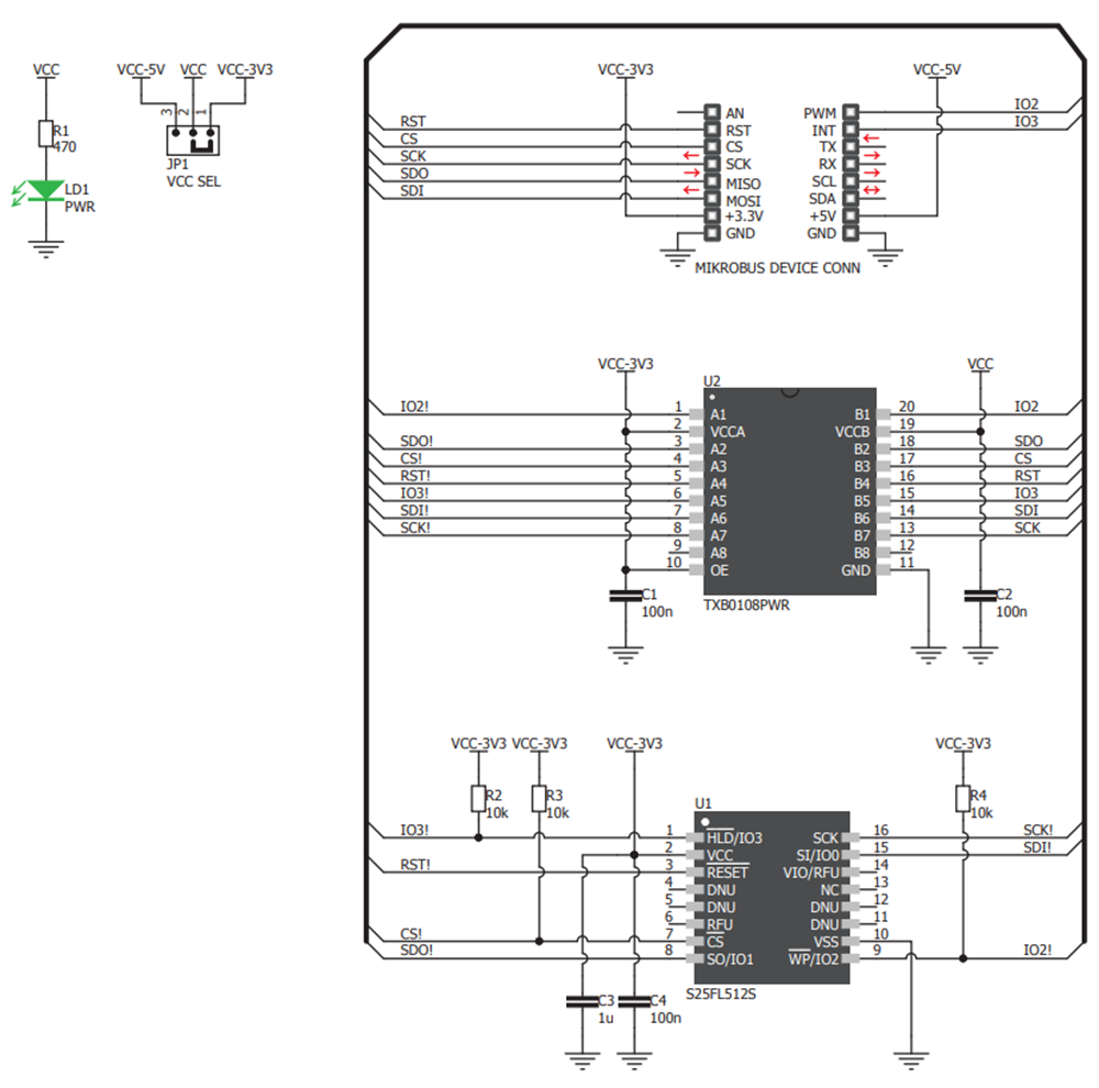
示意图

原理图 - Mikroe Flash 4 click板 (MIKROE-3191)

概述

图表 - Mikroe Flash 4 click板 (MIKROE-3191)
发布日期: 2018-12-20 | 更新日期: 2023-04-25