Mikroe 多路复用器2 click板 (MIKROE-3245)
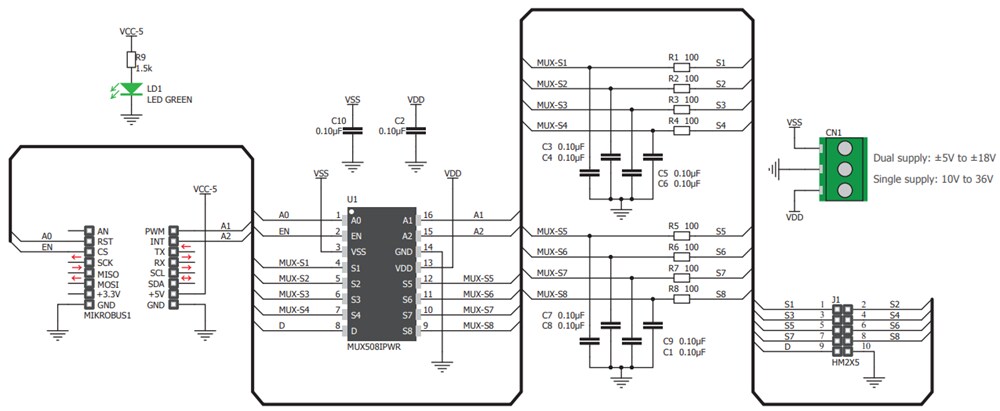
MikroElektronika MIKROE-3245多路复用器2 click板是一款可将八个输入之一切换为一个输出的Click board™。该款器件采用由Texas Instruments出品的MUX508,它是一款现代CMOS模拟多路复用集成电路。该集成电路可以采用±5V至±18V的双电源以及10V至36V的单电源供电。该器件支持轨到轨操作,可让输入信号向上(和向下)摆动到电源电压,且没有失真。该电路具有先断后合开关操作、高达2kV的静电放电保护、低导通电阻和低输入漏电流等特性,因此适用于各种可处理单极和双极信号的开关应用。特性
- 先断后合开关操作
- 高达2kV的静电放电保护
- 低导通电阻和低输入漏电流
- 通用输入输出协议接口
- 5V输入电压
- M Click板尺寸 (42.9mm x 25.4mm)
应用
- 自动化和过程控制
- 可编程逻辑控制器
- 数字万用表
- 电池监测
- 需要差分信号切换的应用
示意图
概述
发布日期: 2019-01-02
| 更新日期: 2022-08-08
