Mikroe 多路复用器click板 (MIKROE-3247)

MikroElektronika MIKROE-3247多路复用器click板是一款可将四个差分输入之一切换为一个差分输出的Click board™。该款多路复用器click板采用由Texas Instruments出品的MUX509,它是一款现代CMOS模拟多路复用集成电路。该集成电路可以采用±5V至±18V的双电源以及10V至36V的单电源供电。借助轨到轨操作,输入信号可以向上(和向下)摆动到电源电压,且没有失真。

特性

  • 先断后合开关操作
  • 高达2kV的静电放电保护
  • 低导通电阻和低输入漏电流
  • GPIO(通用输入/输出)接口
  • 5V输入电压
  • M Click板尺寸 (42.9mm x 25.4mm)

应用

  • 自动化和过程控制
  • 可编程逻辑控制器
  • 数字万用表
  • 电池监测
  • 需要差分信号切换的应用

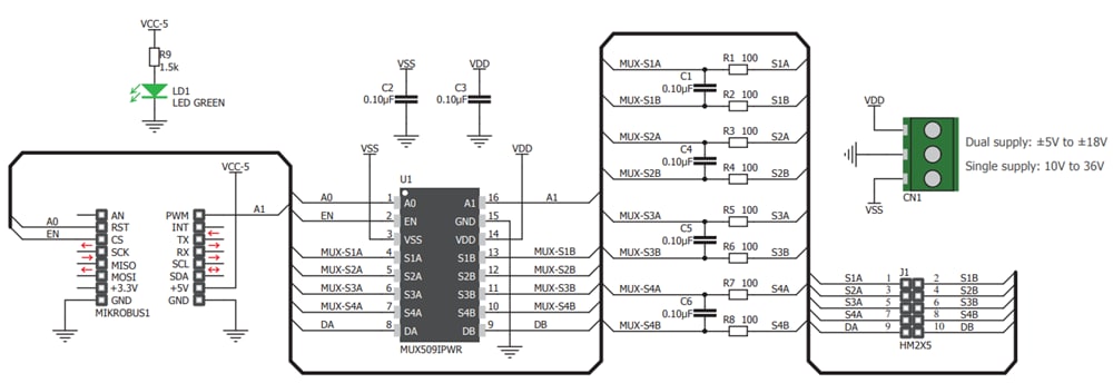
示意图

原理图 - Mikroe 多路复用器click板 (MIKROE-3247)

概述

框图 - Mikroe 多路复用器click板 (MIKROE-3247)
发布日期: 2019-01-02 | 更新日期: 2022-08-08