Mikroe PIXI™ Click板
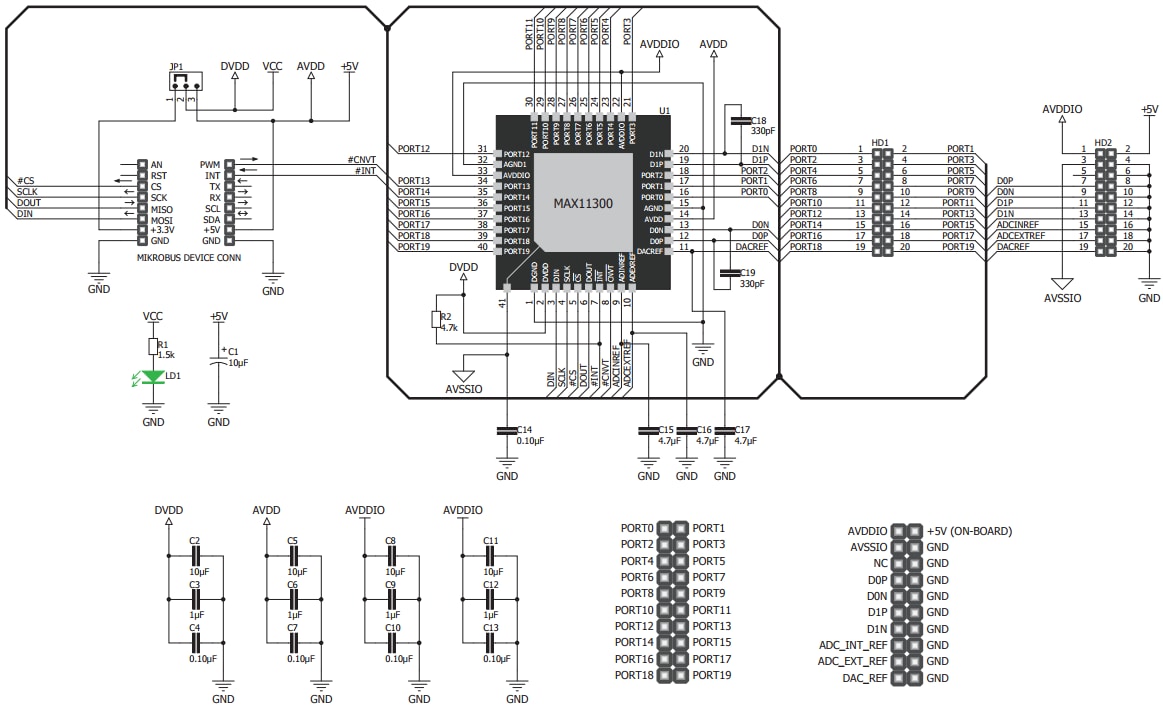
MikroElektronika PIXI™ Click板设计用于需要模拟和数字功能的混合信号应用。PIXI是可编程混合信号输入/输出的缩写,利用该技术可以灵活地按路线发送数字和模拟信号。该click板配有MAX11300 IC,这是一款20通道混合信号数据转换器,支持灵活地按路线发送数字和模拟信号。MAX11300 IC的每个混合信号端口均可独立配置为ADC输入、DAC输出或模拟开关端子。该款PIXI click板设有12位多通道SAR ADC、缓冲DAC以及用于跟踪结温和环境温度的温度传感器。该款PIXI Click板非常适合用于对功率放大器的偏置进行监测和调整、自动风扇转速控制器以及数字电平转换器。特性
- MAX11300 20-channel mixed-signal data converter
- Single IC allows realization of many mixed signal applications
- Wide range of input and output voltages
- Interfaces
- General purpose input/output (GPIO)
- Serial peripheral interface (SPI)
- 4.75V to 5.25V analog power supply voltage (AVDD)
- 2.50V to 5.50V digital power supply voltage (DVDD)
- 15.75V external supply positive voltage (AVDDIO)
- 12V external supply negative voltage (AVSSIO)
- Power LED indicator
- -40°C to +150°C operating temperature range
应用
- Digital level shifters
- Automatic fan speed controllers
- Monitoring and adjusting the bias on power amplifiers
Overview
Schematic
发布日期: 2018-01-19
| 更新日期: 2022-07-28
