Monolithic Power Systems (MPS) EV2721-RH-00A Evaluation Board
Monolithic Power Systems (MPS) EV2721-RH-00A Evaluation Board evaluates the MP2721 5A switch-mode battery management device for single-cell Li-ion or Li-polymer batteries. The Monolithic Power Systems (MPS) MP2721 device's narrow-voltage DC (NVDC) power management structure ensures efficient charging, faster charge times, and longer battery life. The board supports USB Battery Charging Specification 1.2 (BC 1.2) and non-standard adaptor detection through an input source identification algorithm. A serial interface enables full control over operations, charging parameters, and status/interrupt monitoring. The MP2721 also offers a customizable JEITA profile with adjustable temperature windows and actions.Features
- 4V to 16V input voltage (VIN) supply
- 0V to 4.6V battery voltage (VBATT) range
- 0A to 5A charge current (ICC) range
- 0A to 3.2A input current (IIN) range
- 0A to 3A boost output current (IBOOST_OUT) range
Applications
- General ≤15W USB applications
- BLUETOOTH® headphones
- BLUETOOTH speakers
- Point-of-Sale (POS) terminals
- Portable cameras
Videos
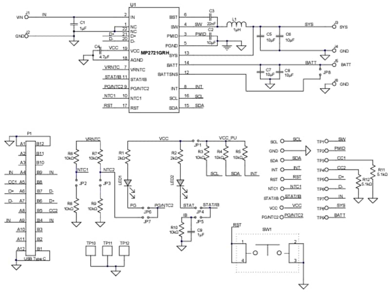
SCHEMATIC
Additional Resources
发布日期: 2024-10-16
| 更新日期: 2024-10-22
