Monolithic Power Systems (MPS) EV6605C-R-00A Evaluation Board
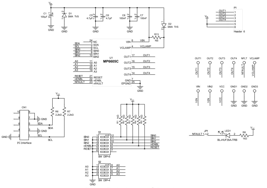
Monolithic Power Systems (MPS) EV6605C-R-00A Evaluation Board is designed to demonstrate the capabilities of the MP6605C, 4-channel Low-Side (LS) MOSFET driver ICs. This evaluation board drives inductive loads by integrating Low-Side MOSFET (LS-FET) and High-Side (HS) clamp diodes. The EV6605C-R-00A evaluation board operates from a supply voltage of up to 60V (VCLAMP connected to VIN). This evaluation board features a 1.5A maximum LS output current and 1.5A (@duty cycle <20%) maximum HS output current. The EV6605C-R-00A evaluation board is available in 6.35cm x 6.35cm x 2.5cm dimensions and is used in unipolar stepper motors and solenoid drivers.Features
- Up to 60V (VCLAMP connected to VIN) supply voltage
- 4 LS-FETs and clamp diodes
- Over-Current Protection (OCP)
- Under-Voltage Lockout (UVLO) protection
- Over-Temperature Protection (OTP)
- Fault indication output
- I2C interface
Specifications
- 1.5A maximum low-side output current
- 1.5A (@duty cycle <20%) maximum high-side output current
- 6.35cm x 6.35cm x 2.5cm dimensions
Applications
- Unipolar stepper motors
- Solenoid drivers
Schematic Diagram
Board Overview
发布日期: 2023-06-06
| 更新日期: 2023-06-16
