Monolithic Power Systems (MPS) EVM3690-50D-BF-00A Evaluation Board
Monolithic Power Systems (MPS) EVM3690-50D-BF-00A Evaluation Board is designed to demonstrate the capabilities of the MPM3690-50D fully integrated power module. The MPM3690-50D power module integrates monolithic DC-DC converters, power inductors, and other passive components. This module adopts internally compensated Constant-On-Time (COT) control to provide a fast transient response. The EVM3690-50D-BF-00A board operates is available in 10cm x 10cm x 1.5cm dimensions. This evaluation board is used in networking equipment, ASIC power systems, and industrial equipment.Features
- 1.2V output voltage
- 600kHz default switching frequency
- 92.95% peak efficiency
- 89.68% full load efficiency
- 50A maximum output current
- Available in 10cm x 10cm x 1.5cm dimensions
Applications
- FPGA and ASIC power systems
- Industrial equipment
- Telecom and networking equipment
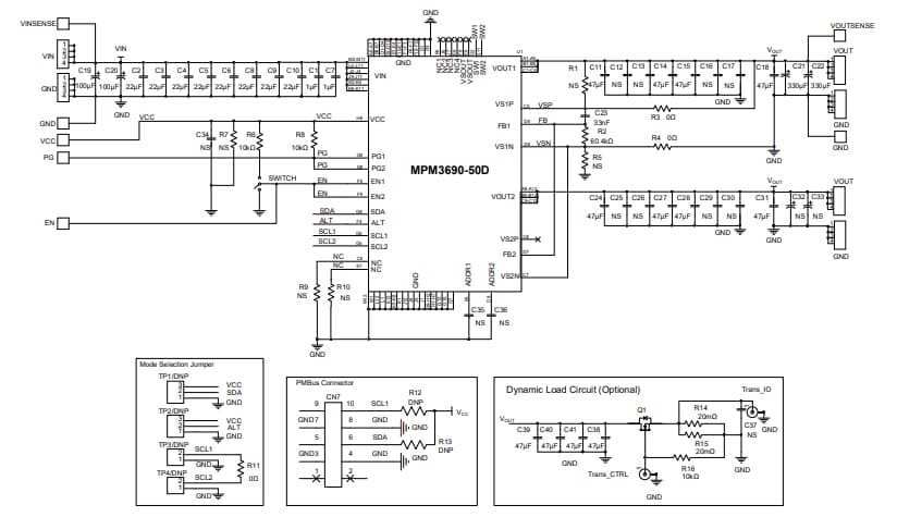
Schematic Diagram
发布日期: 2024-05-20
| 更新日期: 2024-06-07
