Monolithic Power Systems (MPS) EVQ1923-RE-00A Evaluation Board
Monolithic Power Systems (MPS) EVQ1923-RE-00A Evaluation Board is designed to evaluate and demonstrate the MPQ1923, a high-frequency half-bridge gate driver. This board features a 5V to 17V driver power supply voltage range and Undervoltage-Lockout (UVLO) protection for the High-Side (HS-FET) and Low-Side (LS)-FET gate drivers. The MPQ1923 is available in a small QFN-10 (4mm x 4mm) or QFN-8 (4mm x 4mm) package. Typical applications include telecommunication half-bridge power supplies, avionics DC/DC converters, two-switch forward converters, and active-clamp forward converters.Features
- Drives an N-channel MOSFET half-bridge
- Low dropout with 4.5V Under-Voltage Lockout (UVLO) falling threshold
- 120V Bootstrap voltage (VBST) range
- On-chip bootstrap diode
- 20ns typical propagation delay
- 8A sink current (ISINK)
- 7A source current (ISOURCE) at 12V VDD
- <5ns gate driver matching time delay
- Drives a 1nF load with 7.2ns Rise Time (tRISE) and 5.5ns Fall Time (tFALL) at 12V VDD
- TTL-compatible input
- <300μA Quiescent current (IQ)
- UVLO protection for the High-Side Field Effect Transistor (HS-FET) and Low-Side Field Effect Transistor (LS-FET) gate drivers
- Available in QFN-10 (4mm x 4mm) and QFN-8 (4mm x 4mm) packages
- Available in AEC-Q100 grade 1
Applications
- Telecommunication half-bridge power supplies
- Avionics DC/DC converters
- Two-switch forward converters
- Active-clamp forward converters
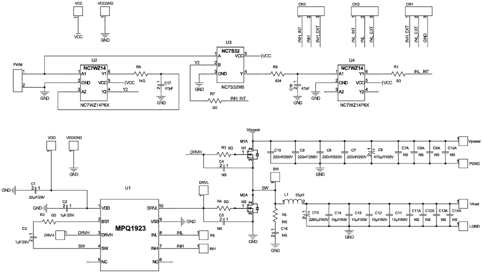
Schematic Diagram
发布日期: 2023-05-31
| 更新日期: 2023-06-20
