Monolithic Power Systems (MPS) EVQ4210-U-00B Evaluation Board
Monolithic Power Systems (MPS) EVQ4210-U-00B Evaluation Board is a demonstration and development platform for the MPQ4210 Synchronous Buck-Boost Controller. The MPQ4210 provides an I2C interface, making it suitable for USB Power Delivery (PD) 3.0 power solutions in automotive USB power designs. The controller uses valley-current control in buck mode and peak-current control in boost mode, providing a fast load transient response and smooth buck-boost mode transient. The device also provides FCCM and a programmable average current limit.The EVQ4210-U-00B Evaluation Board features a pre-mounted MPQ4210 in a compact 5mm x 5mm QFN-27 surface-mount package. The Evaluation Kit provides an example application circuit with test points for the vital pin signals of the MPQ4210. The MPS EVQ4210-U-00B Evaluation Board can be connected to a PC using the EVKT-USBI2C-02 USB to I2C Dongle Kit and controlled via the MPS Virtual Bench Pro and I2C GUI Tools software.
Features
- 60V to 40V input voltage (VIN)
- 5V default output voltage (VOUT)
- 0A to 5A output current (IOUT)
Setup Example
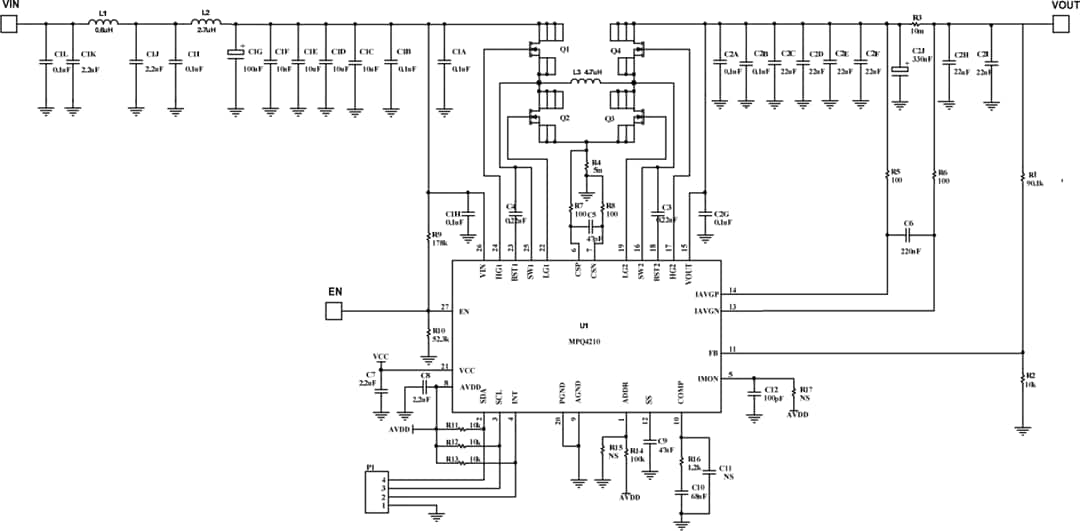
Schematic Diagram
发布日期: 2020-02-05
| 更新日期: 2024-10-23
