Monolithic Power Systems (MPS) MPM3807C Synchronous Step-Down Modules
Monolithic Power Systems (MPS) MPM3807C Synchronous Step-Down Modules are fully integrated power modules with built-in MOSFET switches and an inductor. These modules achieve up to 2A continuous output current with excellent load and line regulation. The MPM3807C modules feature fast transient response and ease of loop stabilization provided by the Constant On Time (COT) control scheme. These modules offer a 100% duty cycle, external Soft Start (SS) control, output over-voltage protection, and Short Circuit Protection (SCP) with hiccup mode. The MPM3807C modules feature a 2.4MHz switching frequency and operate within a wide 2.5V to 5.5V input voltage range and a -40°C to 150°C junction temperature range. These modules are AEC-Q100 grade 1 qualified and come in a QFN-15 (3mm x 4mm x 1.6mm) package. Typical applications include automotive V2X, camera modules, ADAS sensors, and automotive infotainment.Features
- Enable (EN) for power sequencing
- Power Good (PG)
- 100% duty cycle
- External Soft Start (SS) control
- Output discharge
- Output over-voltage protection
- Short Circuit Protection (SCP) with hiccup mode
- Available in a wettable flank package
Specifications
- Designed for automotive applications:
- Wide 2.5V to 5.5V operating input voltage range
- Up to 2A output current
- 1% Feedback (FB) accuracy
- -40°C to 150°C operating junction temperature range
- Available in AEC-Q100 grade 1
- Optimized for EMC and EMI:
- Forced Continuous Conduction Mode (FCCM) across the full load range
- 2.4MHz switching frequency
- MeshConnect™ Flip-Chip package
- High performance for improved thermals:
- 70mΩ and 40mΩ integrated internal power MOSFETs
- Optimized for board size and BOM:
- Integrated internal power MOSFETs
- Integrated compensation network
- Available in a QFN-15 (3mm x 4mm x 1.6mm) package
- 0.8V, 1V, 1.1V, 1.2V, 1.25V, 1.5V, 1.8V, 2.5V, 2.8V, and 3.3V fixed output options
Applications
- Camera modules
- ADAS sensors
- Automotive infotainment
- Automotive V2X
Functional Block Diagrams
Typical Application Circuit Diagrams
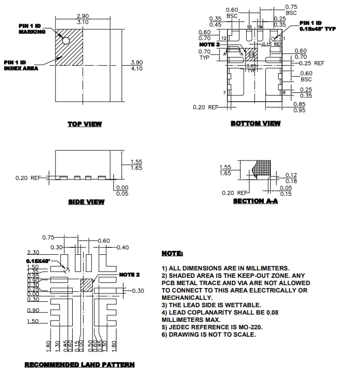
Package Information
View Results ( 6 ) Page
| 物料编号 | 输出电压 | 输出电流 | 输入电压 - 最大值 | 开关频率 | 输入电压 - 最小值 |
|---|---|---|---|---|---|
| MPM3807CGLE-12-AEC1-P | 12 V | 2 A | 5.5 V | 2.4 MHz | 2.5 V |
| MPM3807CGLE-18-AEC1-P | 18 V | 2 A | 5.5 V | 2.4 MHz | 2.5 V |
| MPM3807CGLE-AEC1-P | Adjustable | 2 A | 5.5 V | 2.4 MHz | 2.5 V |
| MPM3807CGLE-12-AEC1-Z | 12 V | 2 A | 5.5 V | 2.4 MHz | 2.5 V |
| MPM3807CGLE-18-AEC1-Z | 18 V | 2 A | 5.5 V | 2.4 MHz | 2.5 V |
| MPM3807CGLE-AEC1-Z | Adjustable | 2 A | 5.5 V | 2.4 MHz | 2.5 V |
发布日期: 2023-10-30
| 更新日期: 2023-11-15
