Monolithic Power Systems (MPS) MPQ28164 Buck-Boost Converters
Monolithic Power Systems (MPS) MPQ28164 Buck-Boost Converters are high-efficiency and single-inductor converters that operate from an input voltage above, equal to, or below the output voltage. These converters use current-mode control with a fixed pulse width modulation (PWM) frequency for optimal stability and transient response. The modules use an optional pulse-skipping mode that reduces the switching frequency under light-load conditions and ensures the longest possible battery life. MPS MPQ28164 Buck-Boost Converters are available in a small QFN-11 package. Typical applications include battery-powered devices, portable instruments, tablet PCs, and super-cap chargers.Features
- High efficiency
- Single inductor
- Operates from input voltage above, equal to, or below output voltage
- Current-mode control with fixed PWM frequency
- Optional pulse-skipping mode reduces switching frequency under light-load conditions
- High-logic input on MODE/SYNC pin
- Load disconnect during shutdown
- Internal soft-start (SS) and compensation
- Power good indicator
- Hiccup mode for short-circuit protection (SCP)
- Overtemperature protection (OTP)
Specifications
- 1.8V minimum start-up input voltage
- 1.2V to 5.5V input voltage range
- 1.5V to 5V output voltage range
- 4.2A switching current limit
- 3.3V/2A load capability from a 2.5V to 5.5V input supply range
- 2MHz fixed or external synchronous switching frequency
Applications
- Battery-powered devices
- Portable instruments
- Tablet PCs
- Super-cap chargers
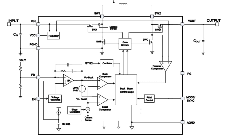
Block Diagram
发布日期: 2020-04-01
| 更新日期: 2024-04-01
