Monolithic Power Systems (MPS) MPQ3367A 6-Channel Boost WLED Drivers
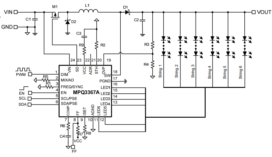
Monolithic Power Systems (MPS) MPQ3367A 6-Channel Boost WLED Drivers are constant-frequency, configurable, and peak current mode step-up converters. These drivers are designed to drive white LED arrays as backlighting for small or medium-sized LCD panels. The MPQ3367A 6-channel boost WLED drivers feature internal 100mΩ, 50V MOSFET, 3.5V to 36V input voltage range, 2.5% current matching, and an I2C interface with 3 selectable IC addresses. These drivers also feature configurable fSW up to 2.2MHz, excellent EMI performance, cycle-by-cycle current limit, and phase shifting function for Pulse Width Modulation (PWM) dimming.The MPQ3367A 6-channel boost WLED drivers provide analog, PWM, and mix dimming mode with a PWM input. The dimming mode can be selected with the I2C interface or the MIX/AD pin. These drivers are available in AEC-Q100 Grade 1 and QFN-24 (4mm x 4mm) packages. The MPQ3367A boost WLED drivers are ideal for use in tablets, notebooks, and automotive display applications.
Features
- 6 channels with a maximum of 150mA per channel
- Internal 100mΩ, 50V MOSFET
- Up to 2.2MHz configurable fSW
- External sync switching frequency function
- Multi-dimming operation mode through PWM input:
- Direct PWM dimming
- Analog dimming
- Mix dimming with 25% or 12.5% transfer point
- 5000:1 dimming ratio in PWM dimming mode when fPWM ≤ 200Hz
- 200:1 dimming ratio at analog dimming through PWM dimming signal input
- Excellent EMI performance and frequency spread spectrum
- I2C interface with 3 selectable IC addresses
- Phase shift function for PWM dimming
- 2.5% current matching
- Cycle-by-cycle current limit
- Disconnect VOUT from VIN
- Optional LED current auto-decrease at high temperatures
- LED short/open protection, Over-Current Protection (OCP), Over-Temperature Protection (OTP), and inductor short protection
- Configurable LED short threshold
- Configurable OVP threshold
- Fault indicator signal output
- Available in a QFN-24 (4mm x 4mm) package
- Available in AEC-Q100 Grade 1
- 3.5V to 36V input voltage range
- -40°C to 125°C operating temperature range
Applications
- Tablets
- Notebooks
- Automotive displays
Functional Block Diagram
Typical Application Circuit
发布日期: 2022-06-06
| 更新日期: 2022-06-14
